EasyManua.ls Logo

Xerox WorkCentre M20 - GP 19 SMPS Unit Operation (M20 F)

Xerox WorkCentre M20
314 pages
Print Icon
To Next Page IconTo Next Page
To Next Page IconTo Next Page
To Previous Page IconTo Previous Page
To Previous Page IconTo Previous Page
Loading...
December 2006
6-57
WorkCentre M20, 4118, FaxCentre 2218 Family
GP 19
General Procedures and Information
GP 19 SMPS Unit Operation (M20F)
Purpose
To give information about the operation of the SMPS (Switching Mode Power Supply):
SMPS Specifications
AC Input Stage
SMC (Switched Mode Control)
Fixed Temperature Control
NOTE: If necessary, refer to GP 20 for the acronym list and cross reference lists of more com-
monly recognised part names.
SMPS Specifications
The SMPS (Switching Mode Power Supply) Unit used here is a PWM (Pulse Width Modula-
tion) type power supply unit that supplies DC+5V to controller and control panel, and DC+5V,
DC+24V and DC+12V to the engine. It also supplies AC power to fixer heat lamp. Refer to
Table 1 for output channel information.
AC Input Stage
AC input power path is consist of the fuse (F1) for AC current limit, the varistor (TNR1) for by-
passing high voltage surge, the discharge resistor (R1), the AC impulse noise filtering circuit
(C2, C4, LF1), the common mode grounding circuit (C5, C6), the second noise filter (C7, LF2),
and the thermistor (TH1).
When the power is turned on, TH 1 limits current by it’s high resistance, and when it’s tempera-
ture rise, it’s resistance become about Zero ohm.
SMC (Switched Mode Control)
The AC input voltage is rectified and filtered by BD1 and C10 to create the DC high voltage
applied to the primary winding of T1, Q5 pin #1 is driven by the SMPS device IC2, IC2. auto-
starts and chops the DC voltage. The U502 is PWM SMPS IC and has internally a SMC
(switched mode control) IC and a MOSFET output stage. The SMC IC has a auto-restart with-
out a power supply for the IC and a thermal shutdown function and so on. R4, R5, C11, D1
clamp leading-edge voltage spikes caused by transformer leakage inductance.
The power secondary winding (Pin #5-6)is rectified and filtered by D8, D9, L2, C33, C34 to cre-
ate the 5V output voltage. The bias winding (Pin #9-8)is rectified and flittered by D2 and C12 to
create U502 bias voltage. The secondary output 5V is regulated through the path of the voltage
divide by R34, R35.
Fixed Temperature Control
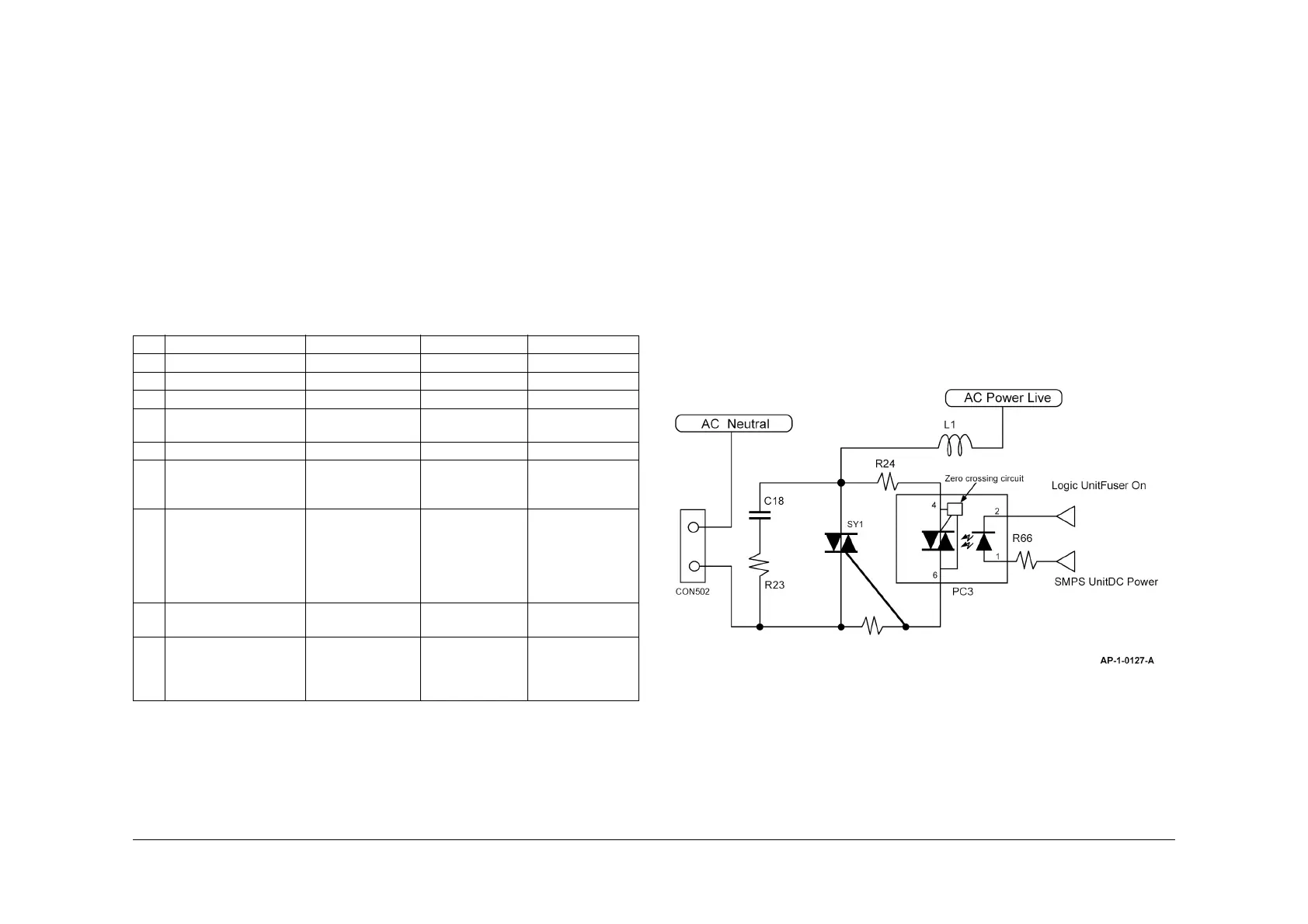
Fixed Lamp Control Circuit
Refer to Figure 1.
Figure 1 Fixed lamp control circuit
The Concept of Fixed Lamp Control
For fixed lamp control, the logic unit "fuser on" control signal and SMPS unit DC power must
be supplied. This circuit turns on only when "fuser on" sends the signal and the DC power is
supplied.
Table 1 Output channel information
No. Output Channel Ch.1 Ch.2 Ch.3
1 Channel Name +5.1V +24.0V +12.0V
2 Rated Output Voltage +5.1V +24.0V +12.0V
3 Rate Output Current 2A 2.5A 0.8A
4 Maximum Load Current
and Load Pattern
2.5A Continued 3.0A Continued 0.8A Continued
5 Load Change Range 0.5 to 2.0A 0.1 to 0.3A 0.1 to 0.8A
6 Rate output voltage (For
rated I/O)
+5.1V +/- 5% (+4.84
to +5.35V)
+24.0V +/- 10%
(+21.60 to
+26.40V)
+12V +/- 5%
(+11.40 to
+12.60V)
7 1) Total Output Volt-
age Deviation (Input,
Load, Temp., Aging) 2)
Dynamic Input Change
3) Dynamic Load
Change
Including All +5.1V
+/- 5% (+4.84 to
+5.35V) Including
Set Error
Including All
+24.0V +/- 10%
(+21.60 to
+26.40V) Includ-
ing Set Error
Including All
+12V+/- 5%
(+11.40 to
+12.60V) Including
Set Error
8 Refer to ripple & noise
27
150mVp-p or less 500mVp-p or less 200mVp-p or less
9 Refer to load short and
overload protection 23
Refer to load short and
overload protection 23
Must not ignite or
generate smoke
when output
shorted for 5 sec.
Output voltage
must shutdown
within the range of
3.5A to 6.5A
Must not ignite or
generate smoke
when output
shorted for 5 sec.

Table of Contents

Related product manuals