EasyManua.ls Logo

Yamaha 60F - Page 66

Yamaha 60F
204 pages
Print Icon
To Next Page IconTo Next Page
To Next Page IconTo Next Page
To Previous Page IconTo Previous Page
To Previous Page IconTo Previous Page
Loading...
4-15
FUEL
E
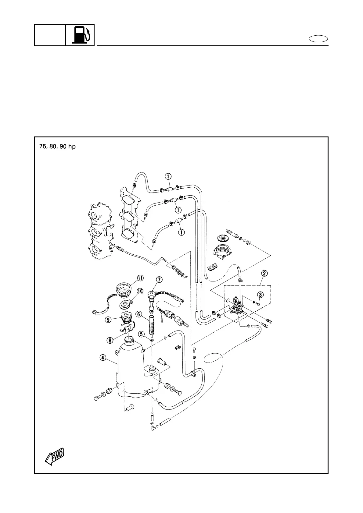
OIL-INJECTION SYSTEM
1 Check valve
2 Oil injection pump assembly
3 Drain screw
4 Oil tank
5 Strainer cover gasket
6 Oil strainer
7 Oil lever sensor
8 Special washer
9 Oil tank cap assembly
0 Hook
A Filler tube

Table of Contents

Other manuals for Yamaha 60F

Related product manuals