EasyManua.ls Logo

Yamaha F40BWHD - Wire Harness (MHD)

Yamaha F40BWHD
537 pages
Print Icon
To Next Page IconTo Next Page
To Next Page IconTo Next Page
To Previous Page IconTo Previous Page
To Previous Page IconTo Previous Page
Loading...
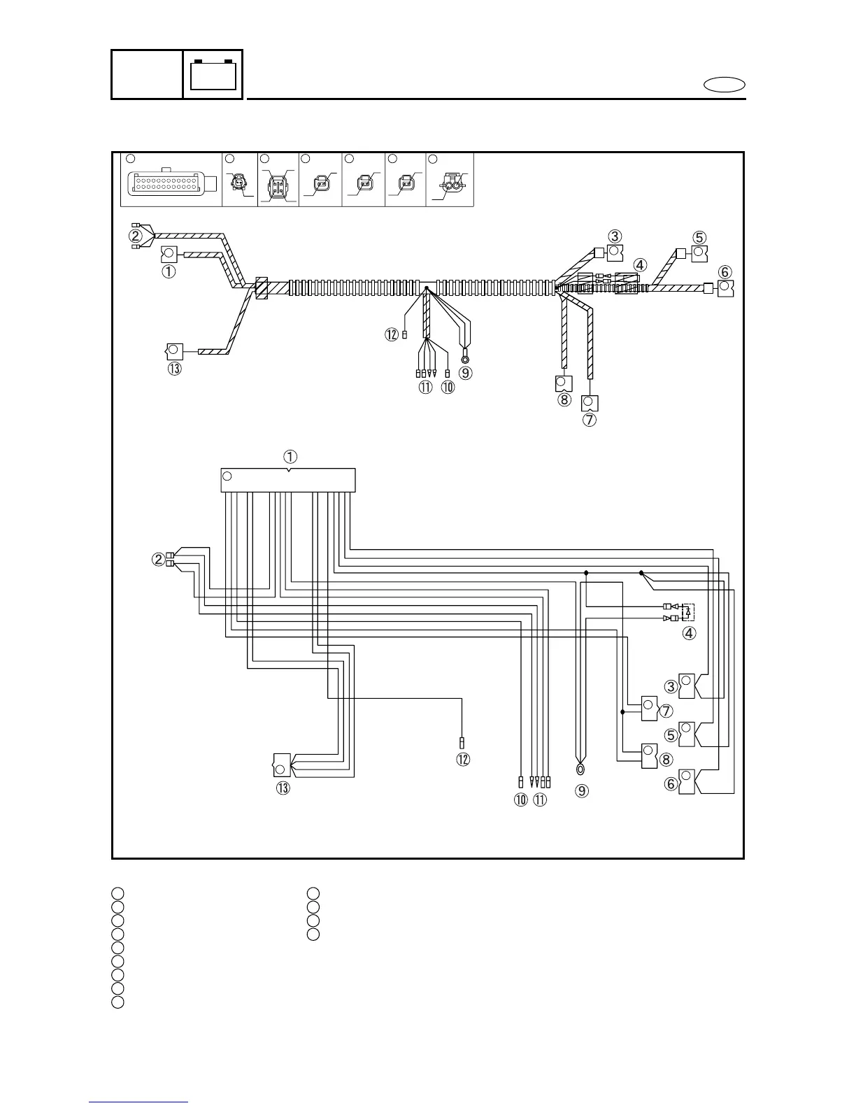
WIRE HARNESS (MHD)
8-4
E
–+
ELEC
WIRE HARNESS (MHD)
R/W
B
B
Br/B
O
B/O
B/W
O
O
B/Y
Y/B Y/R
P/W
P/B
A
B
D
F
G
I
E
A
B
D
F
G
I
E
A
B
D
F
G
I
E
R/W
Br/B
P
Y/B
Y/R
Y
Y
W/G
G/W
B
P/B
P/W
W
O
B/O
B/Y
B/W
Y
Y/B
Y/B
Y
Y/B
Y/R
P/B
P/W
P
Y/B
Y/B
W/G
W/G
B
B
B
W
B/W
B/Y
B/O
O
B
G/W
W/G
Y/B
Y/B
P
Br/B
R/W
B
Br
R/W
B
B/O
O
B/W
O
B/Y
O
O
B
123456789101112
131415161718192021222324
12 11 10 8 7 6 5 3 1 24 23 20 19 17 16 15 14 13
Connect to:
1
CDI unit
2
Thermo heater plunger
3
Ignitior coil 1
4
Diode
5
Ignitior coil 2
6
Ignitior coil 3
7
Pulser coil
8
Thermo switch
9
Ground
10
Oil pressure switch
11
Stator
12
Stop switch
13
Pilot light (LED)
B: Black
O : Orange
P : Pink
W : White
Y : Yellow
B/O : Black/orange
B/W : Black/white
B/Y : Black/yellow
Br/B : Brown/black
G/W : Green/white
P/B : Pink/black
P/W : Pink/white
R/W : Red/white
W/G : White/green
Y/B : Yellow/black
Y/R : Yellow/red

Table of Contents

Other manuals for Yamaha F40BWHD

Related product manuals