EasyManua.ls Logo

Yamaha Mio - Signaling System

Yamaha Mio
305 pages
Print Icon
To Next Page IconTo Next Page
To Next Page IconTo Next Page
To Previous Page IconTo Previous Page
To Previous Page IconTo Previous Page
Loading...
7 - 34
+
ELEC
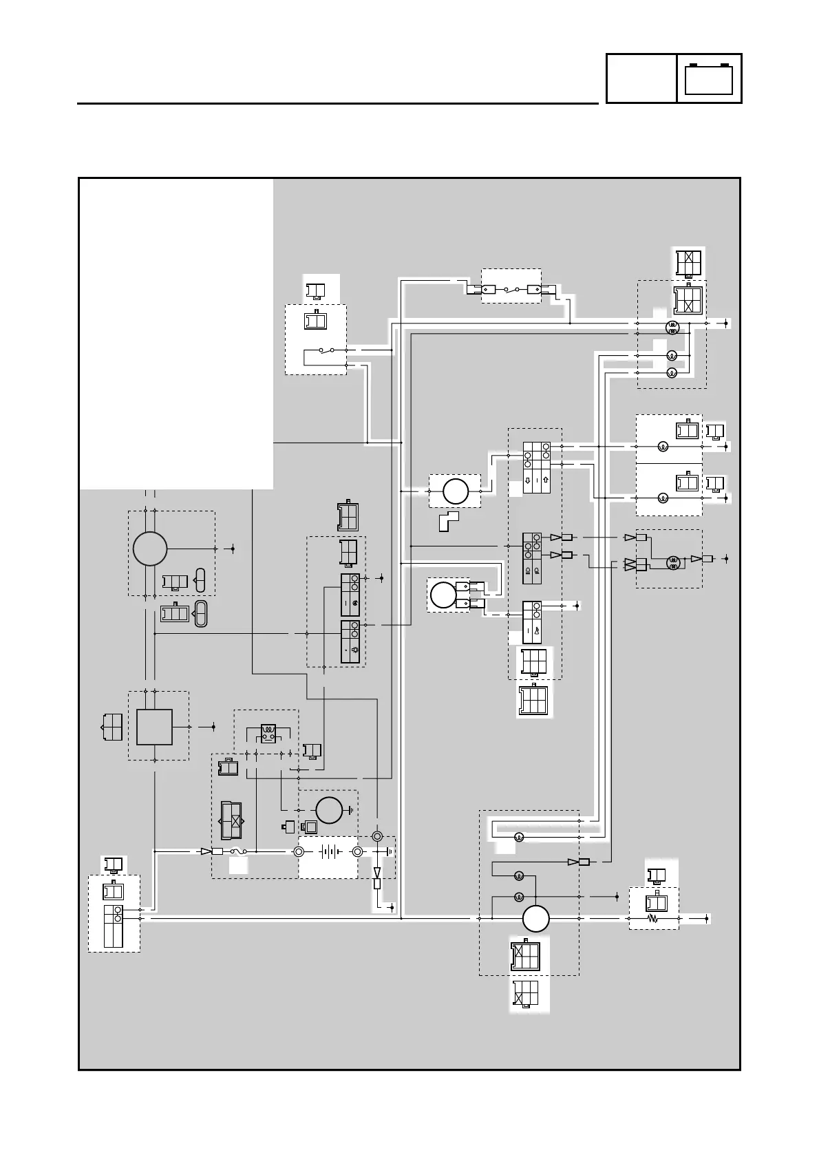
SIGNALING SYSTEM
EAS00793
SIGNALING SYSTEM
CIRCUIT DIAGRAM
R
Br
W W
OFF
ON
Br R
R
L/W
Gy
L/W
1
B
A
5
3
2
B
B
G
G
Dg
Ch
Br
X
B
G
R
Gy
R
Gy
L/W
L/W
R/WR/W
R/W
R
L/B
Y/R
C
D
U V W
Y
T
4
S
Dg Dg
BB
BrBr
Ch Ch
GG
(RED)(RED)
R
R
B
Y
WB
R
6
B
BBr
R
O O
W
Y/R
Y/R
W/L
W/L
W/L
W/L
W/R
W/R
B
B
W
Gy
L/W
7
Y/RL/W
B
L
B
Y/RL/W
L/B
B
9
0
E
G/Y
Br
Br/W
F
H
I
R
PQ
M
L
NO
JK
Br/W
Br
L/B
Ch
Dg
Ch Dg
Ch Dg L G/Y
P
B
Y G
GYY
B
P
B
B
B
L/B
Br/W
P
Ch
Br
B B
B
B
Dg
Br/W
Ch
B
L/B
P
Dg
Dg
Dg
B
B
Ch
Ch
B
B
B
G/Y
Br
BL
Y
Ch Dg
G/Y
Dg
BL
Ch
8
G
Br
W/RW/L
Br B O
Y Y/R
R
R/W
Br
R
W/R W/R
(BLACK)
(BLACK)
(BLACK)
(BLACK)
B
B
B
Br
G/Y
Gy
L/W
B
G
(BLACK)
Gy
R
L/W
R/W
1 Main switch
2 Fuse
3 Battery
D Front brake light switch
E Rear brake light switch
F Turn signal relay
G Horn
I Horn switch
K Turn signal switch
M Rear turn signal light (left)
N Rear turn signal light (right)
O Tail/brake light
P Front turn signal light (left)
Q Front turn signal light (right)
T Fuel gauge
W Turn signal indicator light
X Fuel sender

Table of Contents

Related product manuals