EasyManua.ls Logo

ABB IRB 1200 - Page 91

ABB IRB 1200
906 pages
Print Icon
To Next Page IconTo Next Page
To Next Page IconTo Next Page
To Previous Page IconTo Previous Page
To Previous Page IconTo Previous Page
Loading...
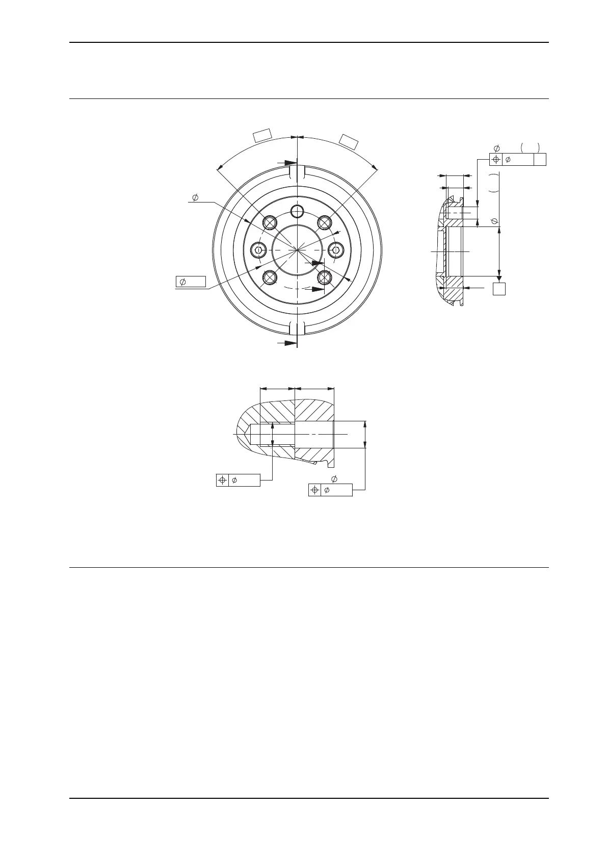
Robot tool flange for Hygienic robots
4xM5
7
4
5
°
4
5°
SECTION B-B
0.25
0.25
8
4x 5.5
SECTION A-A
0.04 B
B
0
7
6
20 H7
0.021
+
5 H7
+
0.012
0
7
44
31.5
A
A
B
B
xx2100001281
Fastener quality
When fitting tools on the tool flange, only use screws with quality 12.9. For other
equipment use suitable screws and tightening torque for your application.
Product manual - IRB 1200 91
3HAC046983-001 Revision: S
© Copyright 2014 - 2021 ABB. All rights reserved.
2 Installation and commissioning
2.3.7.2 Holes for fitting extra equipment
Continued

Table of Contents

Related product manuals