EasyManua.ls Logo

Amada LW500A - Full-Duplex (Point-to-Point) Configuration (RS-422)

Amada LW500A
184 pages
Print Icon
To Next Page IconTo Next Page
To Next Page IconTo Next Page
To Previous Page IconTo Previous Page
To Previous Page IconTo Previous Page
Loading...
APPENDIX D: RS-485 COMMUNICATION
LW500A/LW600A PULSED Nd:YAG LASER
990-539 D-3
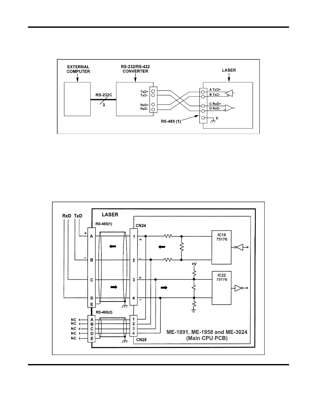
Full-Duplex (Point-to-Point) Configuration (RS-422)
Communicating with a Single Laser
NOTES:
Depending on the RS-232/RS-422 converter, the “+” and “-” designations may be reversed. If
there is trouble communicating with the laser, try reversing the TxD+ and TxD- and/or the RxD+
and RxD- wires on one end only.
The RS-232C/RS-422 conversion adapter is not supplied with the Laser.
Full-Duplex Schematic

Table of Contents

Related product manuals