EasyManua.ls Logo

Buell 2002 S3T - Page 223

Buell 2002 S3T
450 pages
Print Icon
To Next Page IconTo Next Page
To Next Page IconTo Next Page
To Previous Page IconTo Previous Page
To Previous Page IconTo Previous Page
Loading...
4-8 2002 Buell S3T: Fuel System
HOME
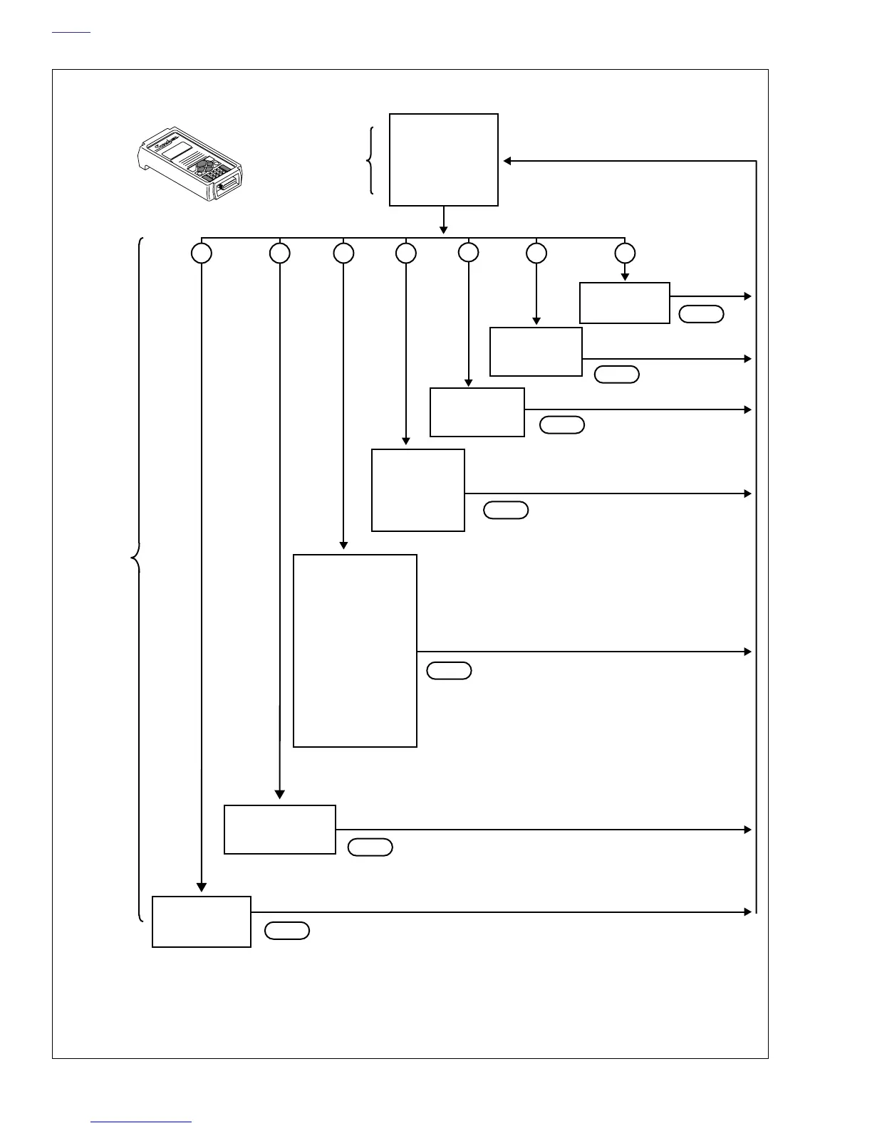
Figure 4-8. Scanalyzer Menus
TOOL SETUP MENU
1- General Setup
2- Save Setup
3- Restore Setup
TROUBLE CODE MENU
1- Display Current
2- Display Historic
3- Clear Historic
SYSTEM ID
P/N 31652-99Y
CAL
BUEGC0B0
SPECIAL TEST MENU
1- Wiggle Test
2- Data Capture
3- File Manager
ACTIVE TEST MENU
1- Fuel Pump
2- Front Injector
3- Rear Injector
4- Front Coil
5- Rear Coil
6- Tachometer
DIAGNOSTIC MENU
1- System ID
2- Trouble Codes
3- Data Monitor
4- Active Diagnostic
5- Special Tests
6- Tool Setup
7- Calibrations
MODE
MODE
MODE
MODE
MODE
MODE
1 2 3 4
5
6
Main Menu
Secondary
Menus
DATA MONITOR MENU
7
CALIBRATION MENU
1- TPS Zero Function
2- AFV Reset
MODE
RPM = 0
ADVANCE F= 0.0 DEG
ADVANCE R= 0.0 DEG
ET = 14° F
ET = 4.98 V
IAT = 76° F
IAT = 3.75 V
O2 = 0.00 V
A/F RATIO= OPEN LOOP
AFV = 100.0%
TP = 6.0 DEG
TP = 7%
TP = 1.17 V
B+ = 11.60 V
BAS MODE= RUN MODE
BAS = 0.65 V
CHECK ENG= LAMP OFF
NOTE
The system ID part number varies
depending upon market.

Table of Contents

Related product manuals