EasyManua.ls Logo

Buell 2002 S3T - Starting System Diagnosis

Buell 2002 S3T
450 pages
Print Icon
To Next Page IconTo Next Page
To Next Page IconTo Next Page
To Previous Page IconTo Previous Page
To Previous Page IconTo Previous Page
Loading...
5-6 2001 Buell S3/S3T: Electric Starter
HOME
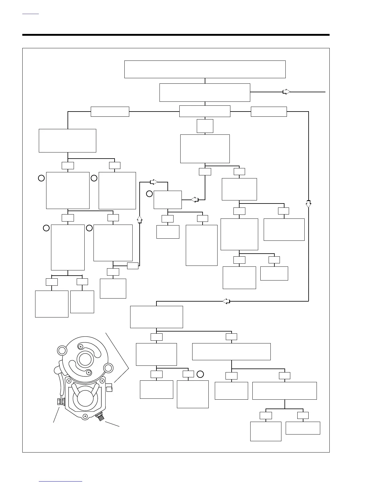
STARTING SYSTEM DIAGNOSIS 5.3
Figure 5-2. Starting System Diagnosis, Part 1
Check Connections at Battery
and Starter Components.
Relay
Clicks.
Test for Voltage at
Solenoid Terminal. Is
12V Present When
Starter Button is
Pressed?
INOPERATIVE
— BATTERY TESTS —
VISUAL VOLTAGE LOAD
YES
NO
Test for Voltage
to Relay. Is 12V
Present on Relay
Terminal 30?
Test for Voltage
from Relay. Is 12V
Present on Relay
Terminal 87 When
Starter Button is
Pressed?
NO
YES
Repair Open on
R/BK Wire Feeding
Terminal 30 on
Starter Relay.
YES
NO
Repair Open
on GN Wire
Between Relay
and Solenoid.
Replace
Starter Relay.
Solenoid Clicks.
Does Starter
Motor Turn if
Jumped?
Test Starter
Motor for
Opens,
Shorts or
Grounds.
Repair or
Replace Starter
Motor.
NO
YES
Replace
Solenoid.
Substitute
Good Relay
or Test Relay.
Nothing Clicks.
Check for Battery Voltage
at Relay Terminal 86 From
Starter Button. Battery
Voltage Present?
Check for Battery Voltage from Starter
Button BK/R Wire. Battery Voltage
Present With Starter Button Pressed?
Check for
Ground at Relay
Terminal 85.
Ground Present?
Inspect Starter
Interlock
Circuit or
Correct Relay
Ground.
Check for Battery Voltage to
Starter Button W/BK Wire.
Battery Voltage Present?
Replace Right
Handlebar
Switchgear.
NO
Repair Wiring to
Starter Button.
YES
YES
Repair Wiring
From Starter
Button to Relay.
NO
YES
YES
NO
NO
1
Perform Voltage Drop Tests
Between Battery and
“Relay” Terminal on
Solenoid. Less Than 1 Volt?
Backtrack to
Pinpoint Poor
Connections or
Relay Contact
Problems Using
Voltage Drop
Tests.
YES
NO
Perform Voltage Drop
Tests from Battery
(Pos. +) to Starter
“Motor”Terminal.
Crank Engine. Is
Voltage Greater than
1 Volt?
NO
Perform Voltage
Drop Test
Between Battery
(Neg. -) and Starter
Studs or Bolts.
Is Voltage Greater
than 1 Volt?
Clean
Ground
Connections
YES
Perform Voltage
Drop Tests from
Battery (Pos. +)
to Starter Motor
“M” (Battery)
Terminal. Crank
Engine. Is
Voltage Greater
than 1 Volt?
YES
NO
Repair
Connection
Between
Battery and
Starter.
Repair or
Replace
Solenoid
(Contacts).
YES
2
2
Continued on
Next Page
2
2
NO
Battery Terminal
Relay Terminal
Motor Terminal
5
5824
5845
5824
5860
5817
5827
5832
5827
5832
5828
5831
5831
5816

Table of Contents

Related product manuals