EasyManua.ls Logo

Buell 2002 S3T - Page 242

Buell 2002 S3T
450 pages
Print Icon
To Next Page IconTo Next Page
To Next Page IconTo Next Page
To Previous Page IconTo Previous Page
To Previous Page IconTo Previous Page
Loading...
2002 Buell S3T: Fuel System 4-27
HOME
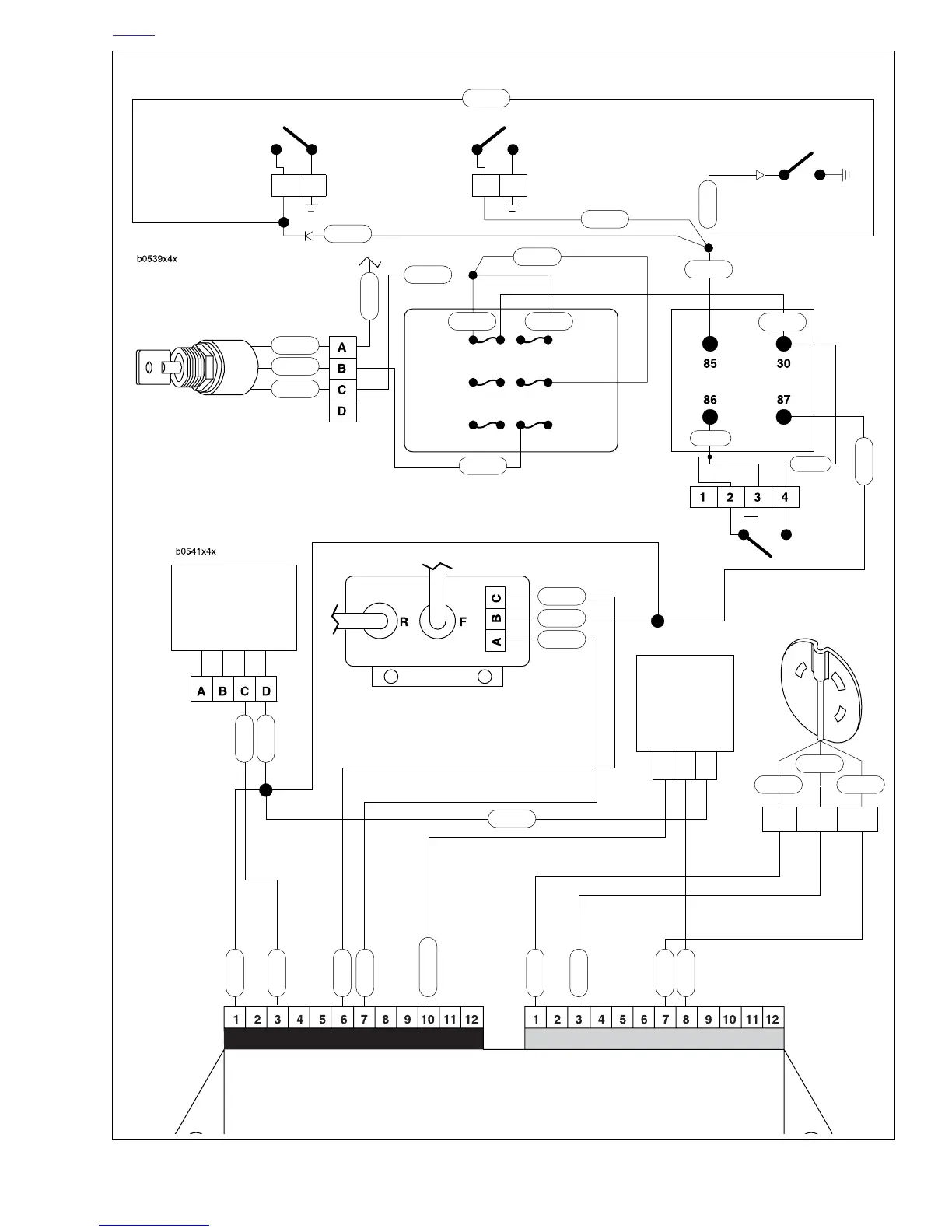
Figure 4-26. Ignition Circuit
12
b0542x4x
12
R
R
R/GY
R/BK
R/GY
R/BK
R/BK
R/BK R/BK
GY/O
Ignition 20A
Memory 15A
Spare 15A
Lights 15A
Instruments 15A
Accessory 15A
Ignition
Switch
[33]
Engine Stop
Switch [22]
TN/W
Ignition Relay
W/BK
GY/O
To Main Circuit
Breaker
b0527x4x
Fuel
Pump
Ignition Coil [83]
BN/Y
BN/Y
GN/W
BK/WR/W
Electronic Control Module
(ECM)
Connector [10] Connector [11]
GY
GY
TN/GN
TN/W
TN/W
Clutch Switch
[95]
Side Stand
Switch [60] Neutral Switch
GY
Cam Position
Sensor [14]
ABC
GN/W
R/W
Y/BE
Y/BE
GY
BE/O
BE/O
BK/W
CBA
b0617x4x
LTGN/GY
BK
GY
Bank Angle
Sensor
[134]
TN/GN
[86]

Table of Contents

Related product manuals