EasyManua.ls Logo

Cameron Scanner 3100 EFM - Digital Inputs-Pulse; Digital Inputs-Open Collector

Cameron Scanner 3100 EFM
100 pages
Print Icon
To Next Page IconTo Next Page
To Next Page IconTo Next Page
To Previous Page IconTo Previous Page
To Previous Page IconTo Previous Page
Loading...
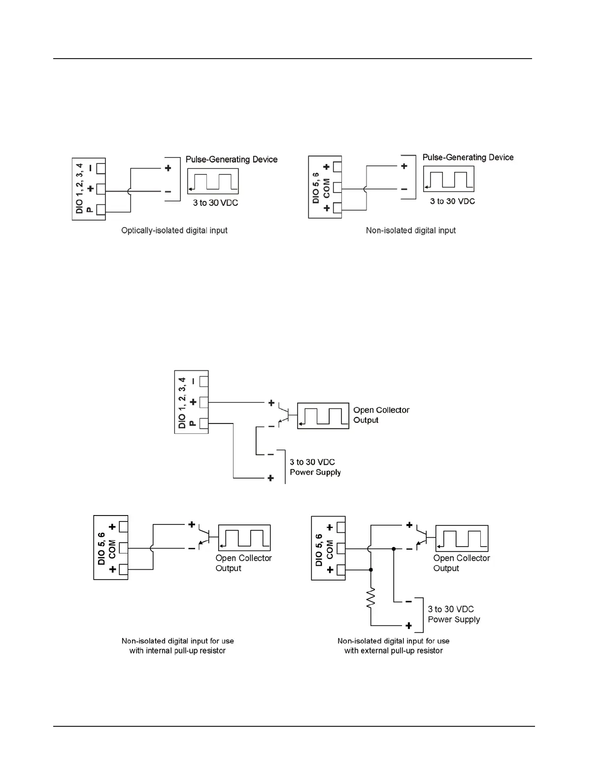
Digital Inputs—Pulse
The digital pulse input (Figure 3.10) provides an input for use with any 3 to 30 VDC pulse-generating device. DIOs 1
through 4 (shown at left) are optically isolated. DIOs 5 and 6 (shown at right) are non-isolated.
To congure a pulse input using the web interface, choose Pulse as the input type, and select a trigger state to indicate
whether the pulse will trigger when the signal is high or when it is low.
Figure 3.10—Digital pulse input
Digital Inputs—Open Collector
The digital open collector input (Figure 3.11) provides an input for use with any device with an open collector output.
DIOs 1 through 4 (top) are optically isolated. DIOs 5 and 6 (bottom) are non-isolated and can be wired for use with an
internal pull-up resistor, or with a customer-supplied resistor. When the internal pull-up resistor is used, signals can be
transmitted over short distances without the use of an external power supply.
To congure an open collector input using the web interface, choose Open Collector as the input type, and select a trig-
ger state to indicate whether the input is to trigger when the signal is high or when it is low.
Optically-isolated digital input
Figure 3.11—Digital open collector input
62
Section 3 Scanner 3100 EFM

Table of Contents

Related product manuals