EasyManua.ls Logo

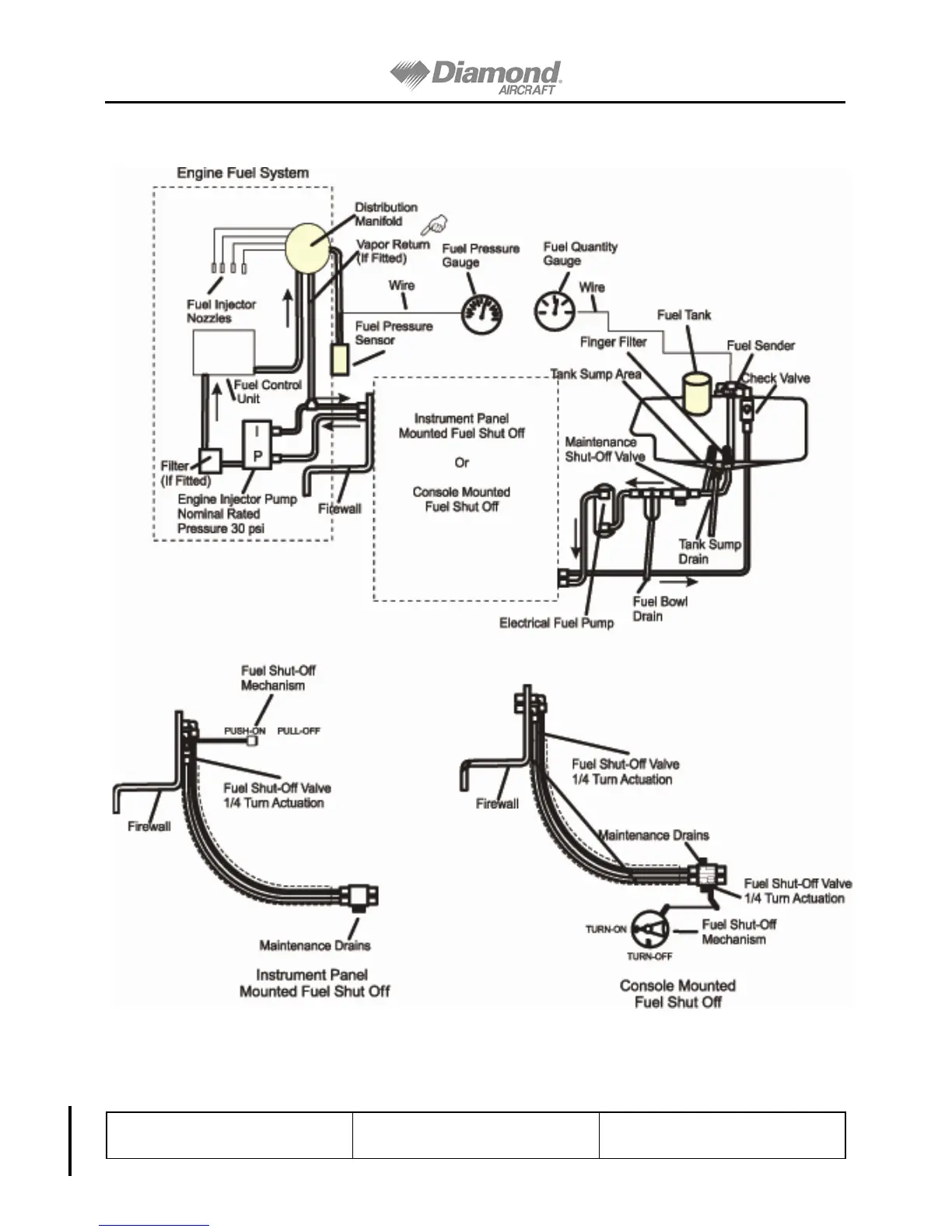
Diamond DA20-C1 - Fuel System Schematic Diagram

Diamond DA20-C1
268 pages
Print Icon
To Next Page IconTo Next Page
To Next Page IconTo Next Page
To Previous Page IconTo Previous Page
To Previous Page IconTo Previous Page
Loading...
DA20-C1 Flight Manual
Description
Doc # DA202-C1 April 06, 2010 Page 7 - 18
Figure 7.6. Fuel System Schematic Diagram
Revision 25

Table of Contents

Other manuals for Diamond DA20-C1

Related product manuals