EasyManua.ls Logo

FieldServer LonWorks ProtoNode - RM7800 Series

FieldServer LonWorks ProtoNode
97 pages
Print Icon
To Next Page IconTo Next Page
To Next Page IconTo Next Page
To Previous Page IconTo Previous Page
To Previous Page IconTo Previous Page
Loading...
Page 22 of 97 PN: 106417-05
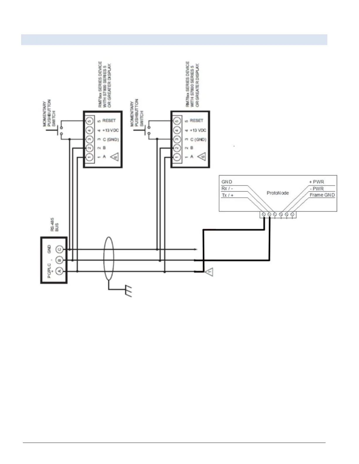
3.9 RM7800 Series
Figure 3-15: RM7800 Modbus RS485 Wiring
NOTICE:
Connect terminal A (RS-485+) to Pin 1 (RS-485+) on the ProtoNode.
Connect terminal CB RxD / TxD- (RS-485-) to Pin 2 (RS-485-) on the ProtoNode.
CG Ground terminal does not need to be grounded to the RS-485 Ground port of ProtoNode.

Table of Contents

Related product manuals