EasyManua.ls Logo

Fimer PVS-175-TL - Measuring the Isolation Resistance of the PV Generator

Fimer PVS-175-TL
185 pages
Print Icon
To Next Page IconTo Next Page
To Next Page IconTo Next Page
To Previous Page IconTo Previous Page
To Previous Page IconTo Previous Page
Loading...
FIMER_PVS-175-TL A.1 Version_Product manual_EN_RevC-
F
181
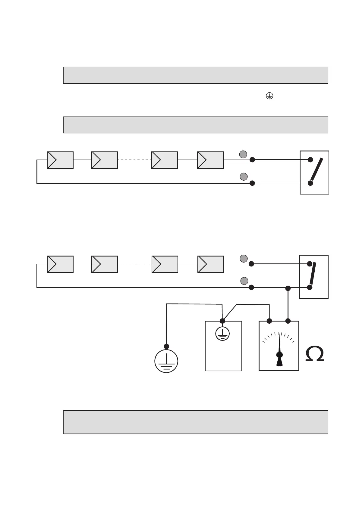
Measuring the isolation resistance of the PV generator
WARNING – B The operator must always use the personal protective equipment (PPE)
required by the laws of the country of destination and whatever is provided by their employer.
To measure the isolation resistance of the PV generator compared to ground , the two poles of the
PV generator must be short-circuited (using a suitable sized switch).
WARNING – B Use of unappropriate sized switch could cause risk of fire or electric arc! Use
only 1500V rated switch!
+
_
IG
Once the short-circuit has been made, measure the isolation resistance (Riso) using a megohmmeter
positioned between the two shorted poles and ground (of the inverter).
Mega
Inverter
IG
+
_
If the measured isolation resistance (Riso) is less than 75 kOhm, the inverter may not connect to the
grid because of low isolation of the PV generator to ground.
ATTENTION – A The isolation resistance can be affected by the environmental conditions the
PV generator is in (E.g.: PV modules wet from damp or rain), and therefore the measurement
must be made immediately after the anomaly is detected.

Table of Contents

Other manuals for Fimer PVS-175-TL

Related product manuals