EasyManua.ls Logo

Huawei NetCol5000-C - C Electric Diagram

Huawei NetCol5000-C
152 pages
Print Icon
To Next Page IconTo Next Page
To Next Page IconTo Next Page
To Previous Page IconTo Previous Page
To Previous Page IconTo Previous Page
Loading...
C
C
NetCol5000-C In Row Cooling Product User Manual
CHINESE
常用电源用户接线端子
常用电源断路器
电压跨接器公头
电源切换变压器
常用电源输入
防雷器故障
防雷器
电源切换接触器
备用电源断路器
备用电源输入
备用电源用户接线端子
切换电源断路器
L1
N
L1
N
W514
W504
W503
W513
W516
W515
W506
W505
W518
W517
W520
W519
W512
W502
W501
W511
W401
W413
W402
W414
W403
W415
W404
W500
to 2/B2
W857
W521
W406
W858
1
11
3
9
4
7
10
2
5
12
8
1
2
3
4
1
2
3
4
1
2
3
4
-QF1
-QF2
R1
R2
R3
R4
0
250V/10A
FU
L/N N/L PE
-X200
W711
W712
-FV1
-TC1
-X301P
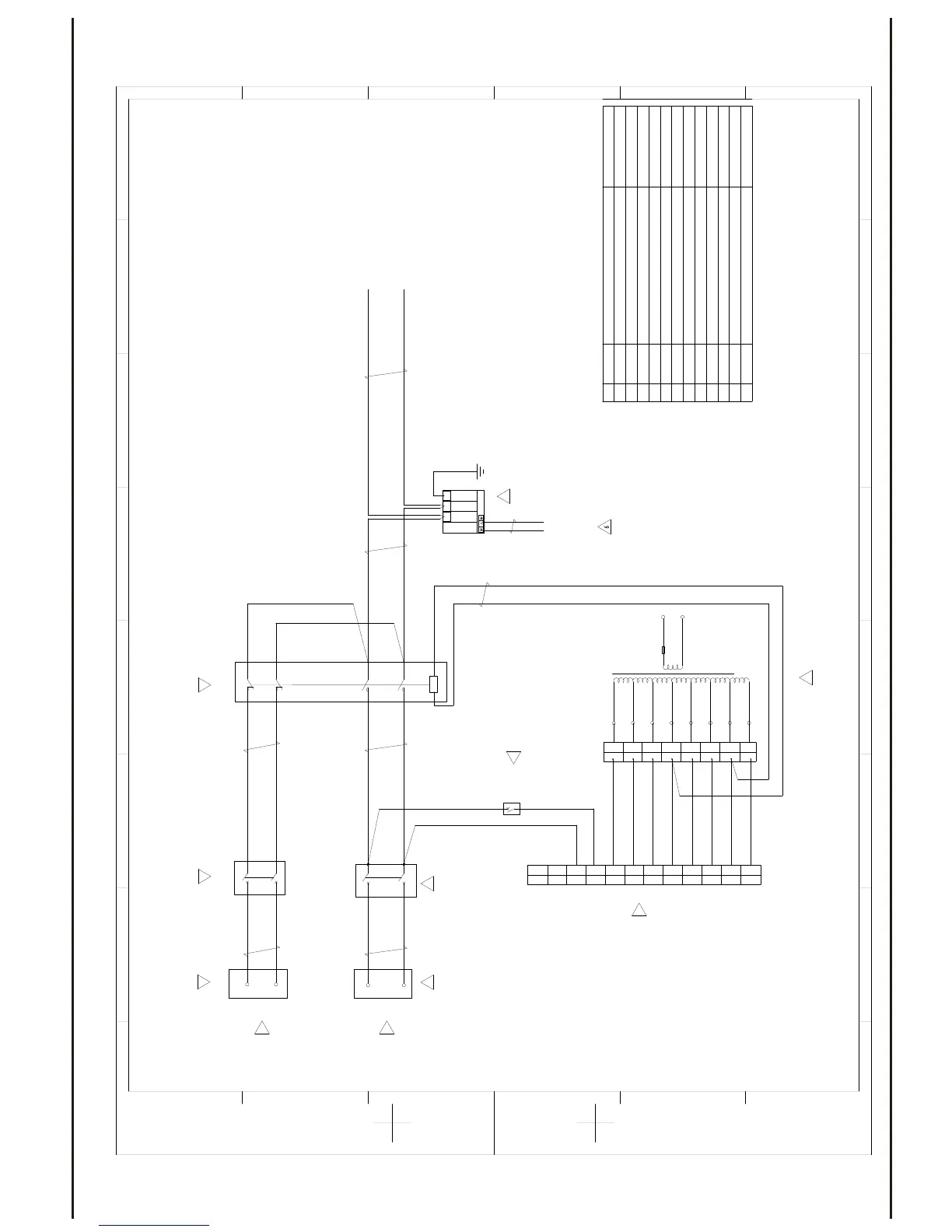
1、PE cable and PE wiring
-1)防雷器PE电缆为W500,另一端连接在防雷器附近的接地螺钉上;
Note:
NO. ITEM ENGLISH
2
-X100
Main power supply terminal 4pin
3 -QF1 Main power breaker-2P
-KM1
4 -X301P Voltage selector 24pin plug
5 -TC1 Transformer to switch power
1 Main power supply input
6 SPD alarm
7 Surge protection device
-FV1
8
9 Dual power feed contactor
-KM1
10 -QF2 Emergency power breaker-2P
11
Emergency power supply input
A1 A2
-X100
1
2
-QF3
1
1
2
2
3
3
4
4
5
5
6
6
7
7
8
8
A A
B B
C C
D D
E E
F F
14
2
13
1
3
15
4
17
5
21
9
6
7
8
10
11
12
16
18
19
20
22
23
24
注意:
1、PE电缆及PE接线要求:
-2)插框电源PE电缆为W400,插框电源端连接至前面板接地螺钉,电控盒接地排端连接至M4螺钉;
Cable W400 is used for connecting U1-PE terminal to grounding bolt M4 on the PE bar on panel of the electric box.
Cable W500 is used for connecting SPD-PE terminal to grounding bolt near the SPD in the elelctric box.
-A1-J68:7
-A1-J68:8
6
5
4
3
7
2
1
8
-20V
0V
20V
220V
250V
400V
460V
208V
10
9
24L
24N
12
-X200
Emergency power supply terminal 4pin
-QF3 Switch power breaker-1P
注意:此处表示该处电气连接到第2页的B2(图纸横坐标B,纵坐标2)位置。
Dual power feed to LCU_C01
Electrical Connection Diagram
Electrical Connection Diagram (Page 1)

Table of Contents

Related product manuals