EasyManua.ls Logo

IAI SCON-CB-F - Page 373

IAI SCON-CB-F
450 pages
To Next Page IconTo Next Page
To Next Page IconTo Next Page
To Previous Page IconTo Previous Page
To Previous Page IconTo Previous Page
Loading...
10. Appendix
357
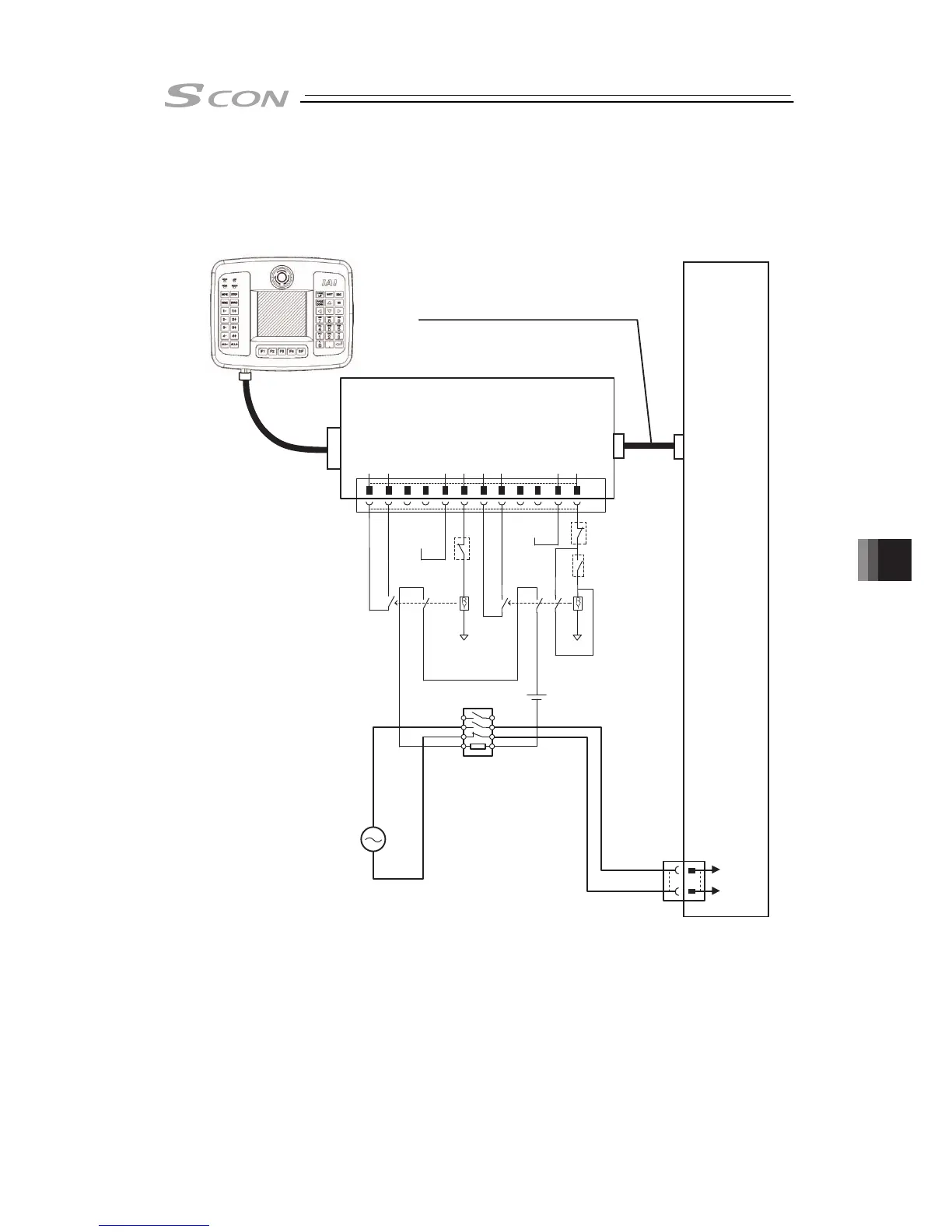
[3] Examples of Safety Circuits
1) In case of category 1
TB-02D or TB-01D(R)
(or Dummy plug : DP-4S)
Connection Cable CB-CON-LB***
Controller
● SCON
Enable SW
SW
Reset
SW
Emergency
Stop
24V
24V
0V 0V
RCB-LB-TGS
Solenoid Contactor
Motor Power Supply
SCON : 100V AC/200V AC
Motor
Power
Supply
ENBOUT
ENBIN
ENB2+
ENB2-
ENB1+
ENB1-
EMGOUT
EMGIN
EMG2+
EMG2-
EMG1+
EMG1-
12
11
10
9
8
7
6
5
4
3
2
1
L1
L2

Table of Contents

Related product manuals