EasyManua.ls Logo

IAI SCON-CB-F - Page 374

IAI SCON-CB-F
450 pages
To Next Page IconTo Next Page
To Next Page IconTo Next Page
To Previous Page IconTo Previous Page
To Previous Page IconTo Previous Page
Loading...
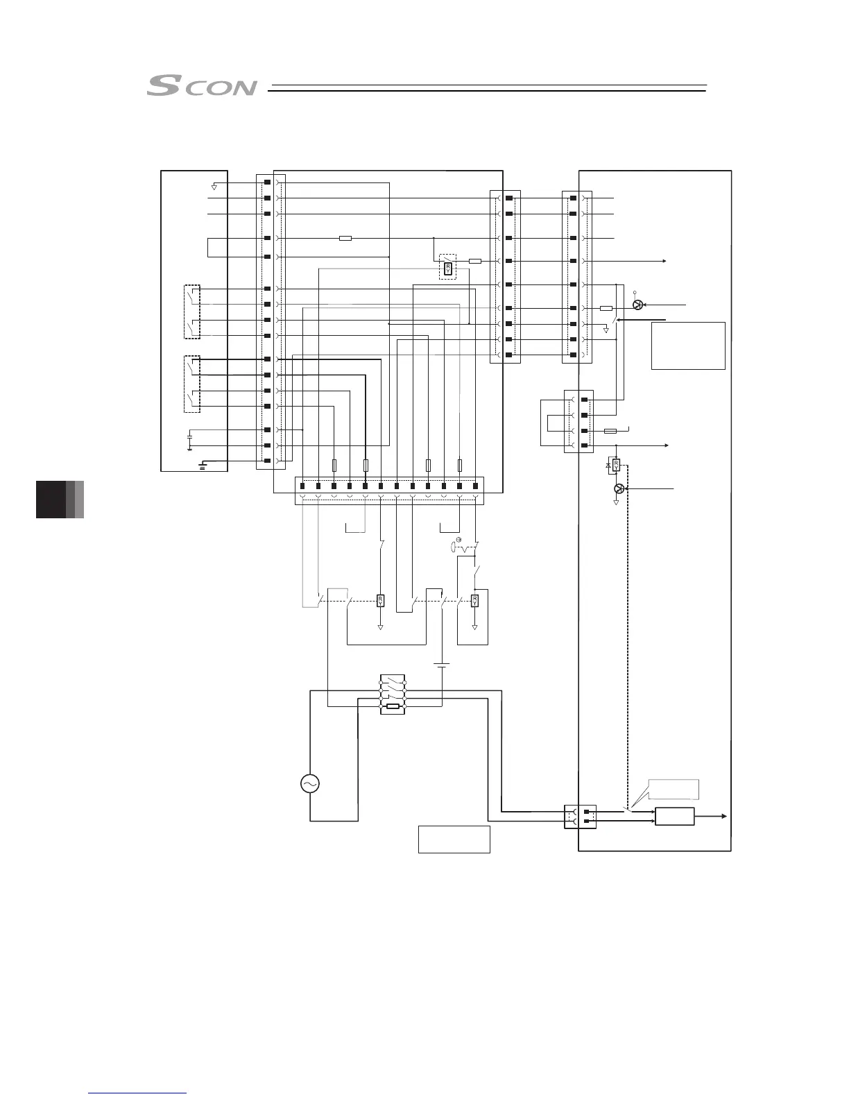
10. Appendix
358
Detailed category 1 circuit example
SG
SGA
SGB
RTS
CTS
EMG1-
EMG1+
EMG2-
EMG2+
EMB1-
EMB1+
EMB2-
EMB2+
DC24V+
DC24V-
EMBOUT
EMBIN
EMB2+
EMB2-
EMB1+
EMB1-
EMGOUT
EMGIN
EMG2+
EMG2-
EMG1+
EMG1-
1
2
3
4
5
6
7
8
9
1
2
3
4
System I/O
Connector
Enable SW
SW
Reset
SW
Emergency
Stop
24V24V
Solenoid Contactor
100V AC/
200V AC
DC Bus
L1
L2
E24V
*EMGSTR
EMGRYRLS
EMGSTR
VP24
SCON
TP Connection Detecting
TP Detection
T24V…Output
Bypass relay…OPEN
TP Not Detected
T24V…Not Output
Bypass relay…CLOSE
TP
Emergency Stop SW
Enable SW
Shell
1
2
3
13
14
9
12
6
5
23
24
25
22
7
26
12
11
10
9
8
7
6
5
4
3
2
1
External Emergency
Stop Circuit
Category 1
Motor Power
Cutoff Relay
Regulator
RCB-LB-TGS
SGA
SGB
EMGA
T24V
EMGB
1
2
3
4
5
6
7
8
9
5V
+

Table of Contents

Related product manuals