EasyManua.ls Logo

Kalmar DCE80-100E - Lubrication - C-hook Side-lift

Kalmar DCE80-100E
317 pages
Print Icon
To Next Page IconTo Next Page
To Next Page IconTo Next Page
To Previous Page IconTo Previous Page
To Previous Page IconTo Previous Page
Loading...
DCE80-100E
Technical Handbook
Periodic supervision
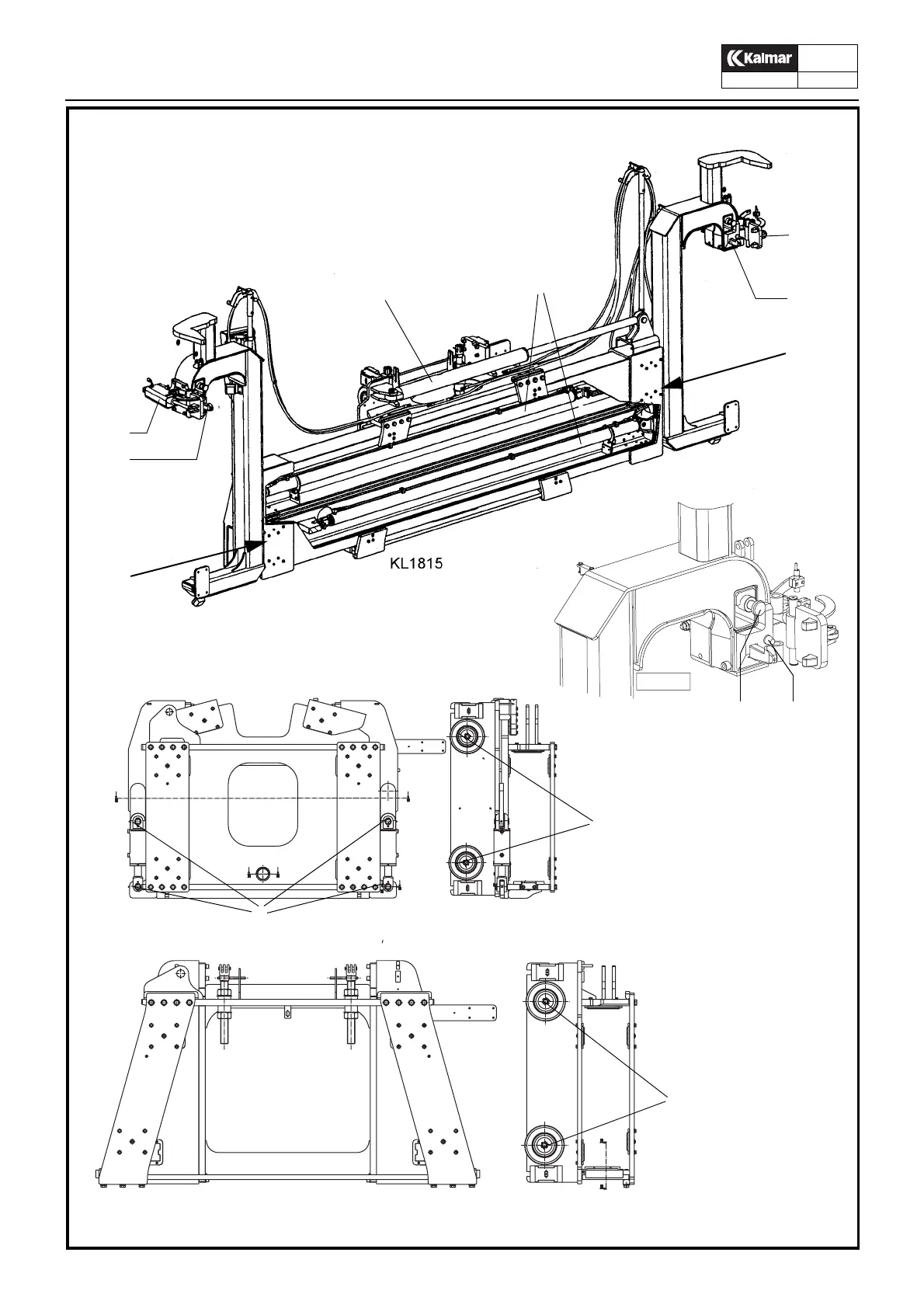
Lubrication, C-hook Side-lift
8
P.Group 90
TDCE01
04GB
KL1813
KL1814
KL1792
Carriage without hydraulic levelling
Carriage with hydraulic levelling
1
2
3
1
7
8
8
4
4
6
5
9
9

Table of Contents

Related product manuals