EasyManua.ls Logo

Keysight N9040B Option 508 - Page 240

Keysight N9040B Option 508
542 pages
To Next Page IconTo Next Page
To Next Page IconTo Next Page
To Previous Page IconTo Previous Page
To Previous Page IconTo Previous Page
Loading...
240 Chapter 11
Hardware Options
A21 Wideband Analog IF Troubleshooting
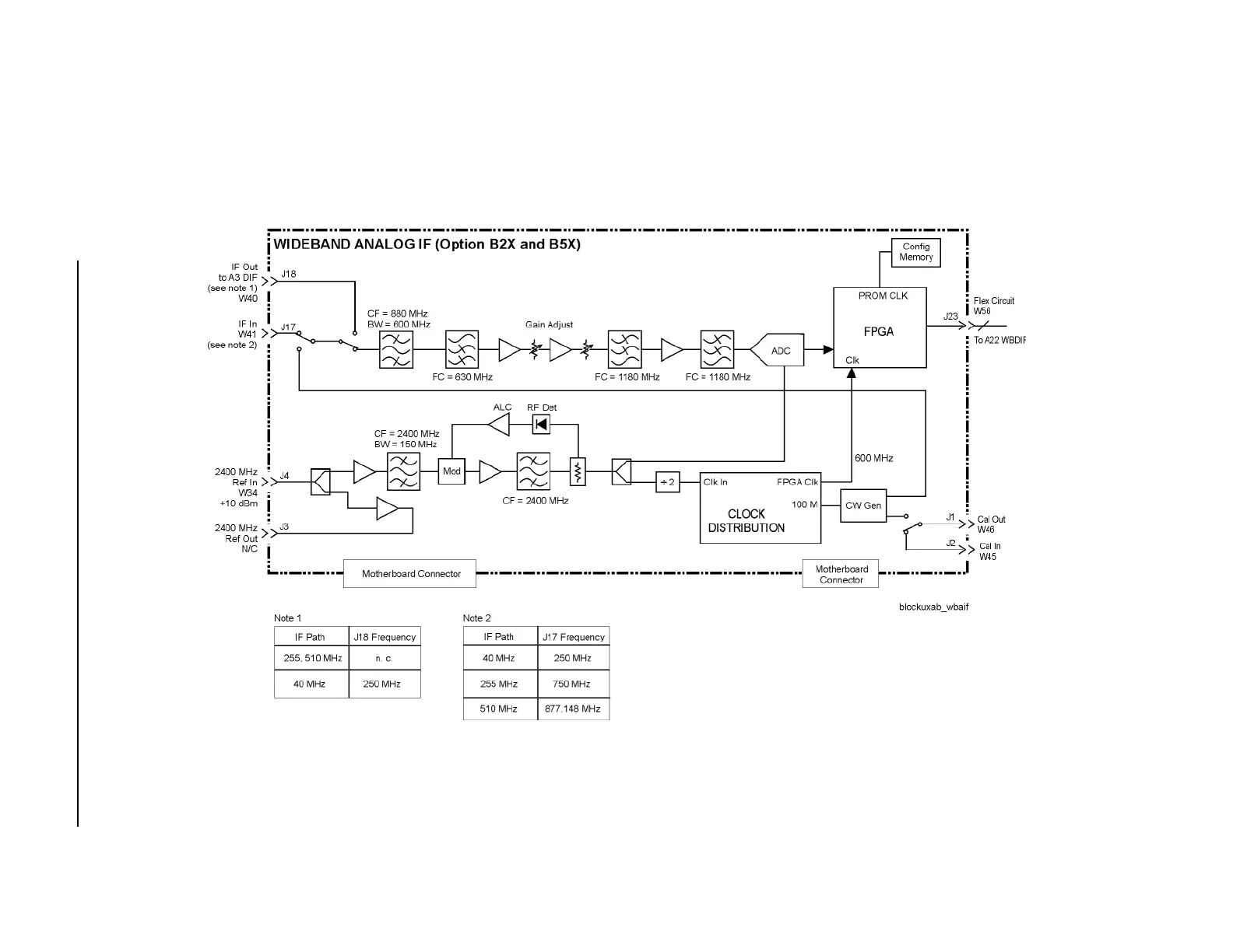
Figure 11-1 Analog IF Block Diagram

Table of Contents

Related product manuals