EasyManua.ls Logo

Kollmorgen S700 Series

Kollmorgen S700 Series
166 pages
To Next Page IconTo Next Page
To Next Page IconTo Next Page
To Previous Page IconTo Previous Page
To Previous Page IconTo Previous Page
Loading...
S748-772 Instructions Manual | 7 Technical description
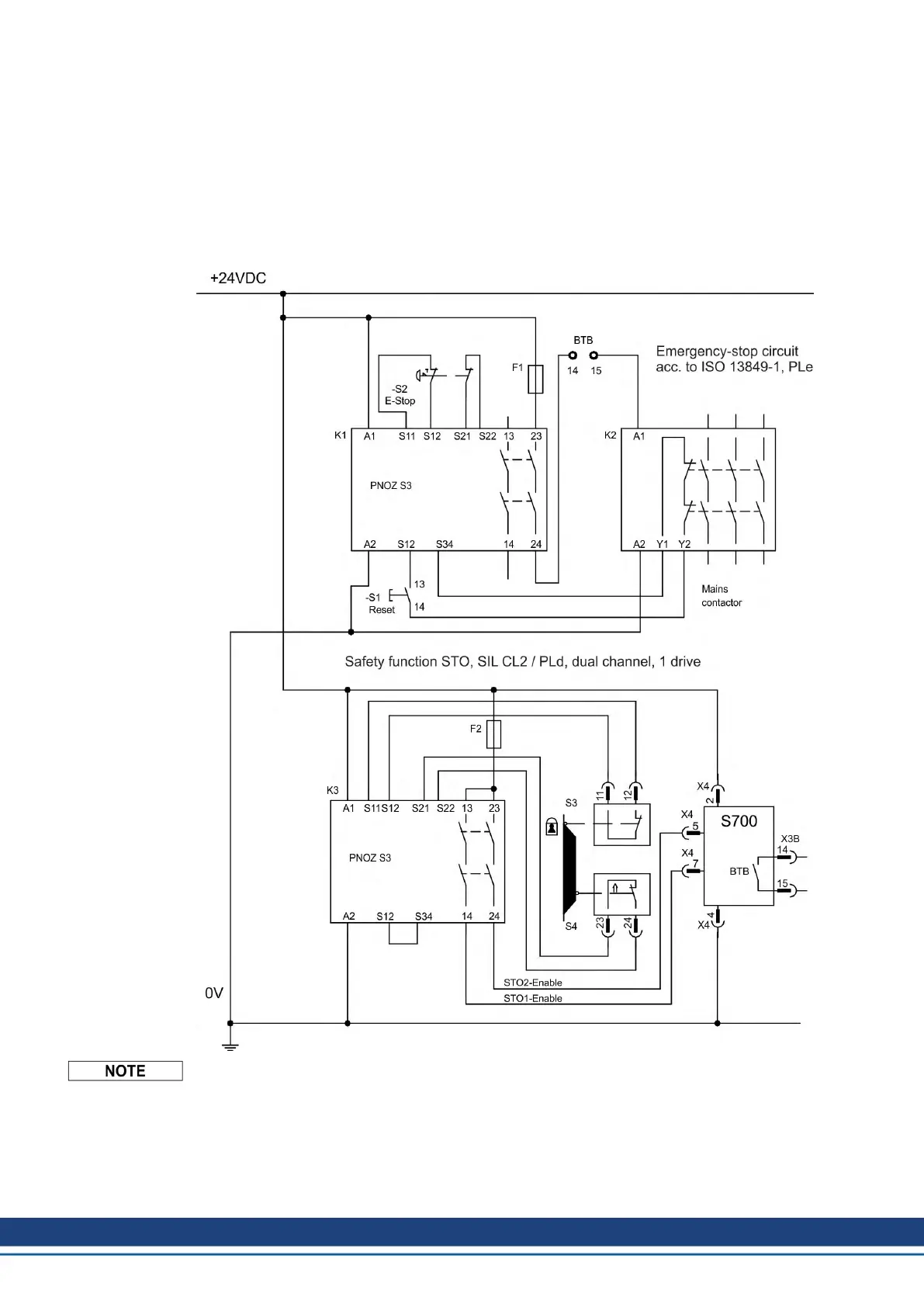
7.9.9.3 Control circuit dual channel SIL2/PLd (example)
The example shows a circuit diagram with one axis connected to an emergency stop circuit.
The STO of the drives is switched by a protective screen. A dual channel switch-off is used.
The safety switch gears used in the example are manufactured by Pilz and fulfill at least the
PLd acc. to ISO 13849-1. Further information to the safety switch gears is available from
Pilz. The use of safety switch gears of other manufacturers is possible, if these also fulfill the
SIL CL2 according to IEC 62061 and PLd according to ISO 13849-1.
Consider the wiring instructions ( # 43).
48 Kollmorgen | kdn.kollmorgen.com | July 2019

Table of Contents

Other manuals for Kollmorgen S700 Series

Related product manuals