EasyManua.ls Logo

Kollmorgen S700 Series

Kollmorgen S700 Series
166 pages
To Next Page IconTo Next Page
To Next Page IconTo Next Page
To Previous Page IconTo Previous Page
To Previous Page IconTo Previous Page
Loading...
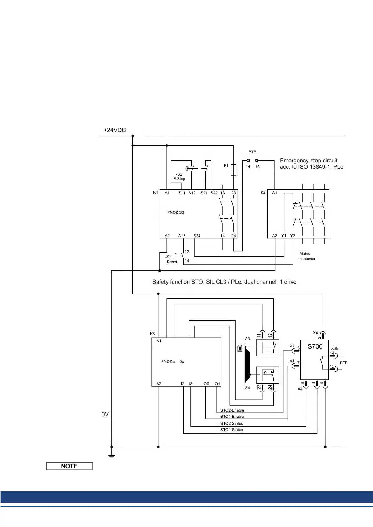
7.9.9.4 Control circuit dual channel SIL3/PLe (example)
The example shows a circuit diagram with one axis connected to an emergency stop circuit.
The STO of the drives is switched by a protective screen. A dual channel switch-off is used.
The safe switching of the pulse inhibitor must be tested periodically by analyzing the feed-
back in the safety control.
The safety controller used in the example is manufactured by Pilz and fulfills at least the PLe
acc. to ISO 13849-1. Further information to the safety controllers are available from Pilz. The
use of safety controlelrs of other manufacturers is possible, if these also fulfill the SIL CL3
according to IEC 62061 and PLe according to ISO 13849-1.
Consider the wiring instructions ( # 43)
S748-772 Instructions Manual | 7 Technical description
Kollmorgen | kdn.kollmorgen.com | July 2019 49

Table of Contents

Other manuals for Kollmorgen S700 Series

Related product manuals