EasyManua.ls Logo

Kollmorgen S700 Series

Kollmorgen S700 Series
166 pages
To Next Page IconTo Next Page
To Next Page IconTo Next Page
To Previous Page IconTo Previous Page
To Previous Page IconTo Previous Page
Loading...
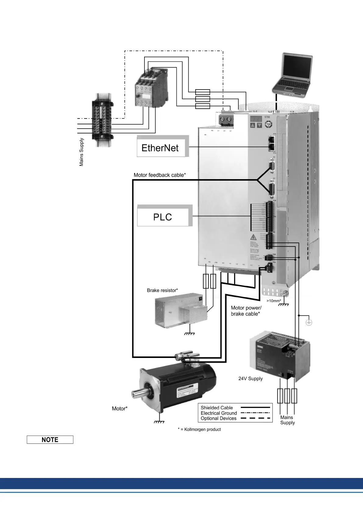
S748-772 Instructions Manual | 9 Electrical Installation
9.4 Components of a servo system
Cables drawn bold are shielded. Electrical ground is drawn with dash-dotted lines. Optional
devices are connected with dashed lines to the servo amplifier. The required accessories
are described in our accessories manual. STO function is deactivated in the example.
64 Kollmorgen | kdn.kollmorgen.com | July 2019

Table of Contents

Other manuals for Kollmorgen S700 Series

Related product manuals