EasyManua.ls Logo

Kollmorgen S700 Series

Kollmorgen S700 Series
166 pages
To Next Page IconTo Next Page
To Next Page IconTo Next Page
To Previous Page IconTo Previous Page
To Previous Page IconTo Previous Page
Loading...
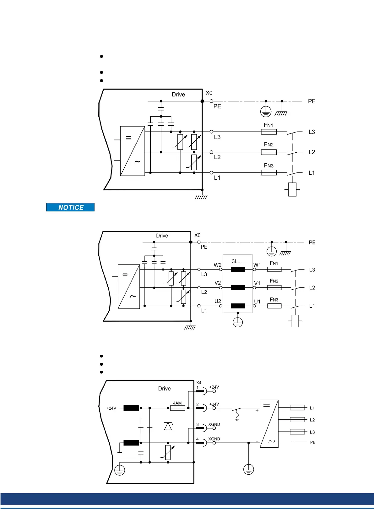
9.8.2 Mains supply connection (X0)
Directly to 3-phase supply network, filter is integrated, supply networks ( # 68)
(with mains voltage below 300V set parameters NONBTB=3 and VBUSBAL=1)
Fusing (e.g. fusible cut-outs) to be provided by the user ( # 32)
Screw driver for plus-minus-screws (Combiprofile Slotted/Pozidriv) size 2
If mains voltage is more than 3% asymmetrical, a mains choke 3L with 2% uk must be
used. See Accessories Manual. For EMC reasons the choke should be mounted electrically
isolated to the cabinet.
9.8.3 24V auxiliary supply (X4)
External 24V DC power supply, electrically isolated, e.g. via an isolating transformer
Required current rating ( # 31)
Integrated EMC filter for the 24V auxiliary supply
S748-772 Instructions Manual | 9 Electrical Installation
Kollmorgen | kdn.kollmorgen.com | July 2019 69

Table of Contents

Other manuals for Kollmorgen S700 Series

Related product manuals