EasyManua.ls Logo

Kollmorgen S700 Series

Kollmorgen S700 Series
166 pages
To Next Page IconTo Next Page
To Next Page IconTo Next Page
To Previous Page IconTo Previous Page
To Previous Page IconTo Previous Page
Loading...
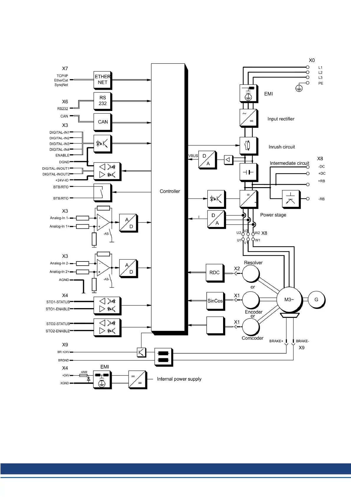
9.5 Block diagram
The block diagram below just provides an overview.
S748-772 Instructions Manual | 9 Electrical Installation
Kollmorgen | kdn.kollmorgen.com | July 2019 65

Table of Contents

Other manuals for Kollmorgen S700 Series

Related product manuals