EasyManua.ls Logo

Kubota D1803-CR-E4 - Page 149

Kubota D1803-CR-E4
309 pages
Print Icon
To Next Page IconTo Next Page
To Next Page IconTo Next Page
To Previous Page IconTo Previous Page
To Previous Page IconTo Previous Page
Loading...
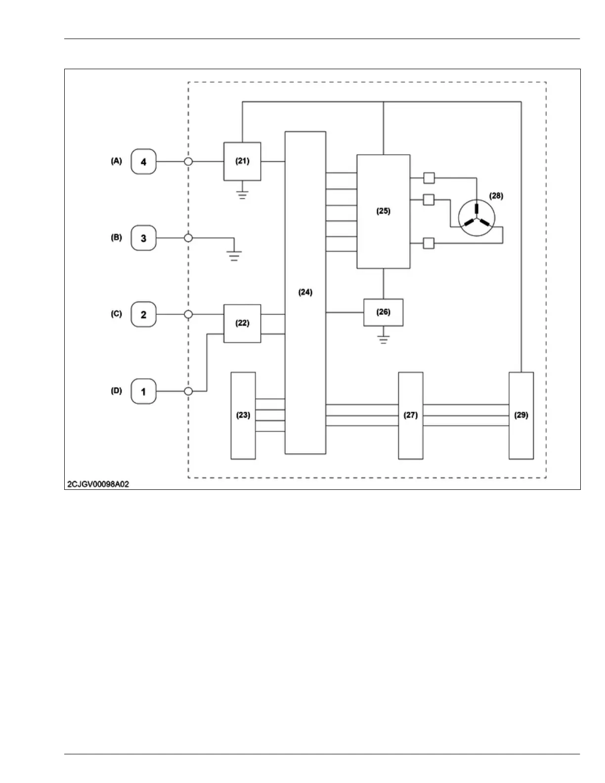
Wiring diagram
(21) Power supply circuit unit
(22) CAN I/F circuit unit
(23)
EEPROM
(24) Micro computer
(25) Motor drive circuit unit
(26) Overcurrent detection circuit
unit
(27) Hall-IC I/F circuit unit
(28) Brush less motor
(29) Hall-IC
(A) Power
(B) GND
(C) CAN L
(D) CAN H
MECHANISM
5. Exhaust gas recirculation (EGR) system 4. ENGINE
D1803-CR-E4,D1803-CR-TE4,D1803-CR-TIE4,V2403-CR-E4,V2403-CR-TE4,V2403-CR-TE4BG,V2403-CR-TIE4
4-49
KiSC issued 12, 2018 A

Table of Contents

Related product manuals