EasyManua.ls Logo

Kubota D1803-CR-E4 - Bearing Case Cover Oil Seal Replacing Tool

Kubota D1803-CR-E4
309 pages
Print Icon
To Next Page IconTo Next Page
To Next Page IconTo Next Page
To Previous Page IconTo Previous Page
To Previous Page IconTo Previous Page
Loading...
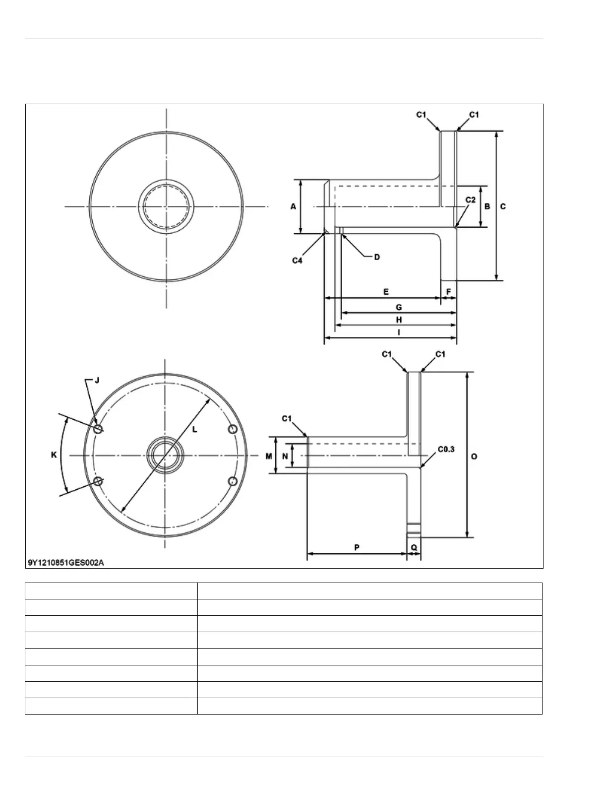
10. Bearing case cover oil seal replacing tool
Use for install bearing case cover oil seal.
This special tool is not provided, so make it referring to the figure.
A 42 mm dia. (1.7 in. dia.)
B 32.000 to 32.025 mm dia. (1.2599 to 1.2608 in. dia.)
C 116 mm dia. (4.57 in. dia.)
D 3 mm dia. (0.1 in. dia.)
E 88 mm (3.5 in.)
F 12 mm (0.47 in.)
G 88 mm (3.5 in.)
H 92 mm (3.6 in.)
(Continued)
2. GENERAL
SPECIAL TOOLS
10. Bearing case cover oil seal replacing tool
2-40
D1803-CR-E4,D1803-CR-TE4,D1803-CR-TIE4,V2403-CR-E4,V2403-CR-TE4,V2403-CR-TE4BG,V2403-CR-TIE4
KiSC issued 12, 2018 A

Table of Contents

Related product manuals