EasyManua.ls Logo

Kubota D1803-CR-E4 - Page 50

Kubota D1803-CR-E4
309 pages
Print Icon
To Next Page IconTo Next Page
To Next Page IconTo Next Page
To Previous Page IconTo Previous Page
To Previous Page IconTo Previous Page
Loading...
(26) CN407 CAN connector cap
(27) Shield cable
NOTE
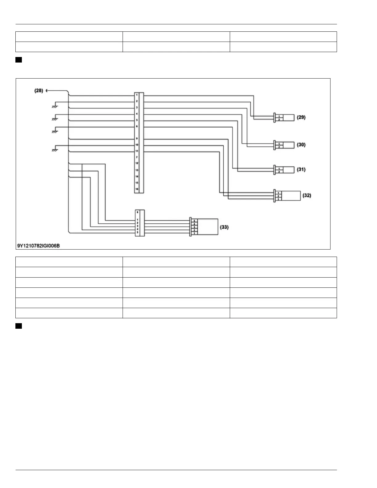
The figure shows the pin arrangement of the connector housing viewed from wire side, not mating side.
(28) Diesel particulate filter (DPF)
(29) CN101 Exhaust gas temperature sensor (T2)
(30) CN102 Exhaust gas temperature sensor (T1)
(31) CN103 Exhaust gas temperature sensor (T0)
(32) CN104 Differential pressure sensor (ΔP)
(33) CN105 Air flow sensor
NOTE
The figure shows the pin arrangement of the connector housing viewed from wire side, not mating side.
2. GENERAL
GENERAL MACHINE INFORMA
TION
6. Wiring diagram
2-26
D1803-CR-E4,D1803-CR-TE4,D1803-CR-TIE4,V2403-CR-E4,V2403-CR-TE4,V2403-CR-TE4BG,V2403-CR-TIE4
KiSC issued 12, 2018 A

Table of Contents

Related product manuals