EasyManua.ls Logo

Manitowoc 16000 - Past Production Cold Weather Package

Manitowoc 16000
230 pages
To Next Page IconTo Next Page
To Next Page IconTo Next Page
To Previous Page IconTo Previous Page
To Previous Page IconTo Previous Page
Loading...
Reference Only
OPERATING CONTROLS AND PROCEDURES 16000 OPERATOR MANUAL
3-78
Published 05-09-17, Control # 011-29
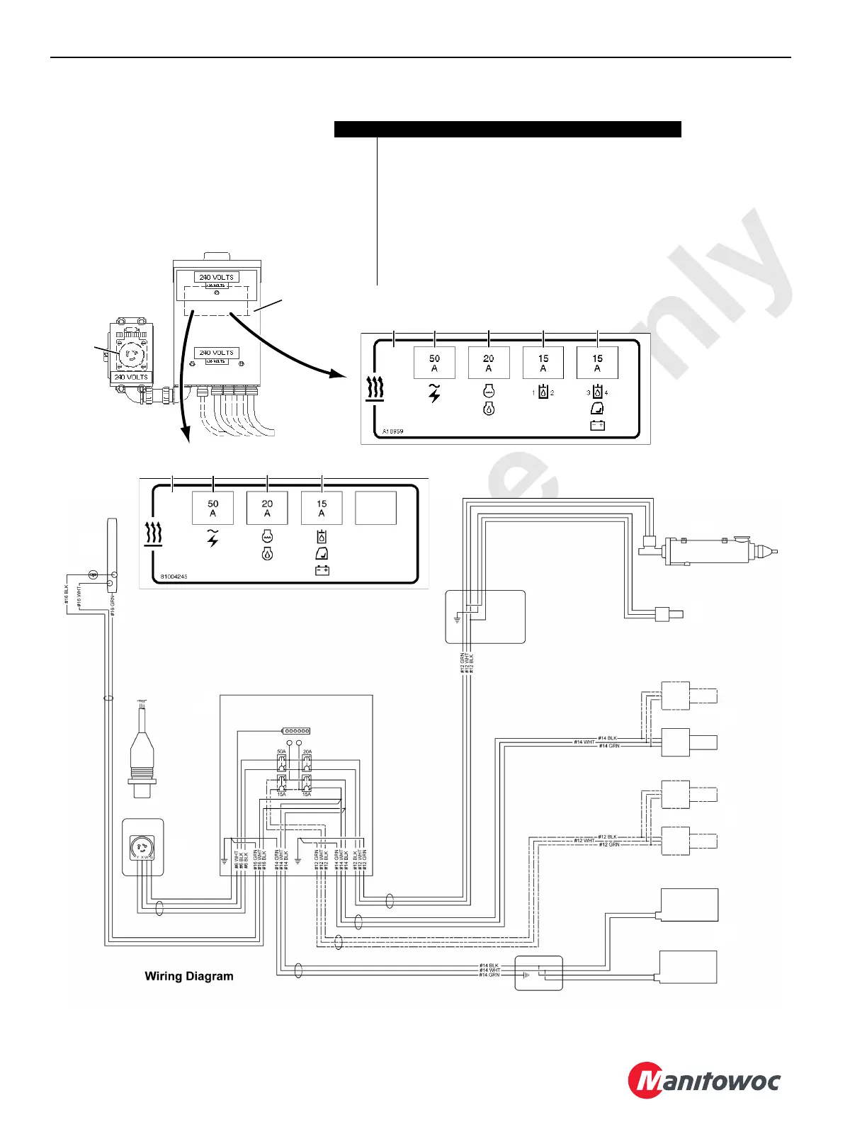
A17735
Item Description
1 240 Volt Receptacle
2 Main Circuit Breaker
3 Engine Coolant Heater
4 Engine Oil Heater
5 Hydraulic Reservoir Heaters Left Side (2) or Top (1)
6 Hydraulic Reservoir Heaters Right Side (2)
7 Cab Front Console Heater
8 Battery Pad Heaters (2)
9 Circuit Breaker Load Center
9a Circuit Breaker Decal (inside load center)
1
FIGURE 3-66
A14274
9
7
8
3
5
2
5
1
Mounted on Rear of Cab
4
7
6
Current Production
(with one hydraulic tank heater in top of tank)
Wiring schematic Past Production
8
9a
3
4
6
2
9a
3
4
7
8
5
Past Production
(with four hydraulic tank heaters)
9
PAST PRODUCTION COLD WEATHER PACKAGE

Table of Contents

Other manuals for Manitowoc 16000

Related product manuals