EasyManua.ls Logo

Minebea CSD-701B - Page 25

Minebea CSD-701B
157 pages
Print Icon
To Next Page IconTo Next Page
To Next Page IconTo Next Page
To Previous Page IconTo Previous Page
To Previous Page IconTo Previous Page
Loading...
12
1 When tension is applied with the application of tension type or
universal(compression/tension) type of load cell, and display of “+”
direction is required, connect “Green” with Terminal No.2 and
“Blue” with Terminal No.4 individually. As there is a case which
standard wiring color is different, please confirm the inspection data
sheet of the load cell being used.
2 When the length of CAB502 is more than 30 m totally, there may
have the case that the accuracy is out of warranty because the
resistance of cable makes the input voltage of the instrument
decreased.
4
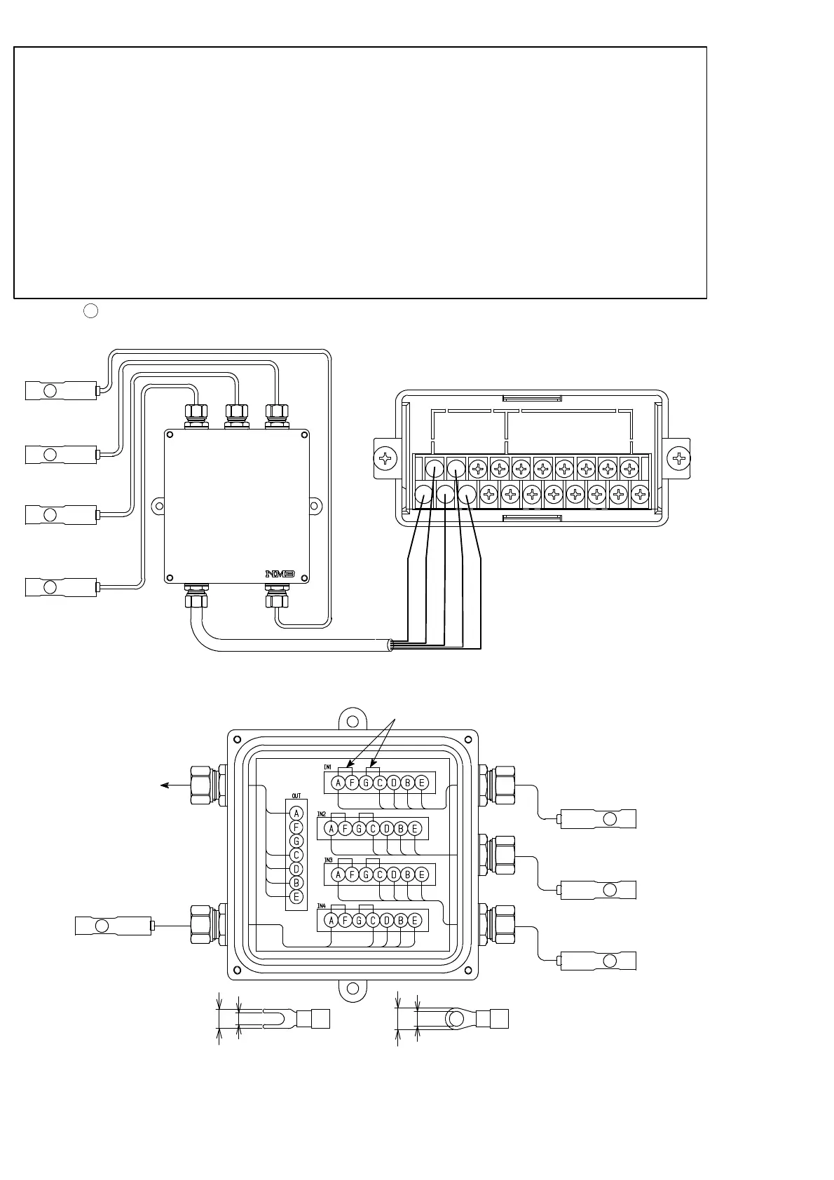
Connection with 2 to 4 pieces of load cells, Summing type junction box(SB310) and
CSD701B.
CAB502
SB310
RED
WHT
GRN
Shield
BLU
2 (Total length of CAB502 is within 30 m)
Internal wiring diagram of SB310
YERD WH BLGR
to CSD701B
Suitable crimp type
terminal lugs
A3.2 mm or less
B7 mm or less
Short bar
Output port
Input port
No.4
Y type Round type
or
B
A
φA
φB
Input port No.3
Input port No.2
Input port No.1
YERD WH BLGR
YERD WH BLGR
YERD WH BLGR
YE
RD
WH
BL
GR

Table of Contents

Related product manuals