EasyManua.ls Logo

Mitsubishi M80 series

Mitsubishi M80 series
648 pages
To Next Page IconTo Next Page
To Next Page IconTo Next Page
To Previous Page IconTo Previous Page
To Previous Page IconTo Previous Page
Loading...
M800S/M80/E80 Series Connection and Setup Manual
4 General Specifications
101
IB-1501269-J
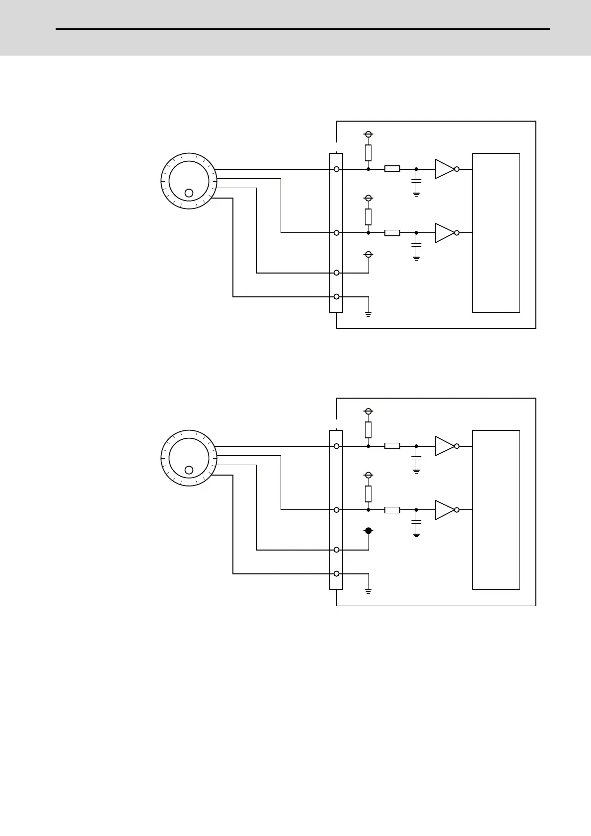
<Input/output circuit>
(a) 5V manual pulse generator
(Note) No HA3A and HA3B in FCU8-DX731.
(b) 12V manual pulse generator
(Note) No HA3A and HA3B in FCU8-DX731.
HA1A
HA2A
HA3A
HA1B
HA2B
HA3B
+5V
0V
5V
+5V
+5V
0V
0V
0V
MPG
B
A
5V
0V
470Ω
470Ω
Control
circuit
B
A
MPG
HA1A
HA2A
HA3A
HA1B
HA2B
HA3B
+12V
0V
+5V
+5V
+12V
0V
0V
0V
12V
0V
470Ω
470Ω
Control
circuit

Table of Contents

Related product manuals