EasyManua.ls Logo

Multitel MX 250 - Page 125

Multitel MX 250
186 pages
Print Icon
To Next Page IconTo Next Page
To Next Page IconTo Next Page
To Previous Page IconTo Previous Page
To Previous Page IconTo Previous Page
Loading...
NP 36
35
Sede amm. e stab: Strada Statale, 114 - 12030 MANTA (CN). Tel: (+39)0175255211. Sede legale: Via dell'Offelera, 106 - 20047 BRUGHERIO (MI). www.multitelgroup.com
Proprietà della MULTITEL PAGLIERO S.P.A. Senza autorizzazione scritta della stessa, il presente disegno non potrà essere utilizzato. L'uso e la riproduzione è vietata.
P
MX6.15.12.596
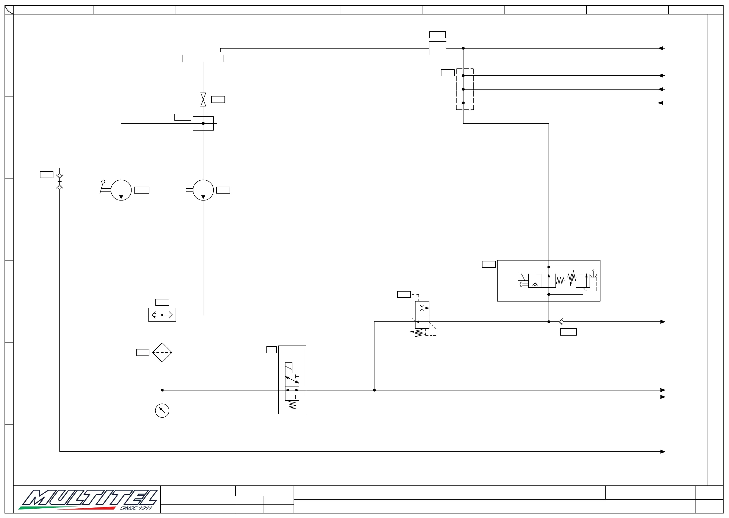
IMPIANTO POMPE
M.Gi.
M.Gi.
[1LMMX6.15.12-CT.320]
24/05/2021
03/06/2021
REV.
REV.
LM_CTRL
R.B.Contr.
Ap. R.B.
Dis.
Dis.
0
MX 250
0
A
B
C
D
E
F
1 2 3 4 5 6 7 8 9
1
2
FLT1
1
VCT6
R
E
VCT4
0,8L
2
1
110
VCT5
1
2
POM1
1
2
POE1
VCT2
A B
C
Y41
VCT12
3/8"
1/4" 1/4"
1/4"
1/2"
1/2"
5/16"
1/2"
Y21
14.1:C
1/4"
3/8"
3/8"
5/8"
1/2"
Y41
14.2:C
3/8"
3/8"3/8"
3/8"
VCT11
INT 32
001972
VCT1
INT 32
001972
INT 25
002061
VCT13
3/8"
F
M
VPT3
1/4"
1/4"
1/4"
TG
/ 37.1:C
100
TS
/ 36.1:A
100
PL
/ 38.8:A
410
TY12
/ 37.1:F
100
TT
/ 36.1:A
P
/ 36.1:B
PG
/ 37.1:D
AA
/ 38.8:A
410

Table of Contents