EasyManua.ls Logo

Multitel MX 250 - Controls from Cage

Multitel MX 250
186 pages
Print Icon
To Next Page IconTo Next Page
To Next Page IconTo Next Page
To Previous Page IconTo Previous Page
To Previous Page IconTo Previous Page
Loading...
Use and warning instructions in compliance with EC regulations - Page 40
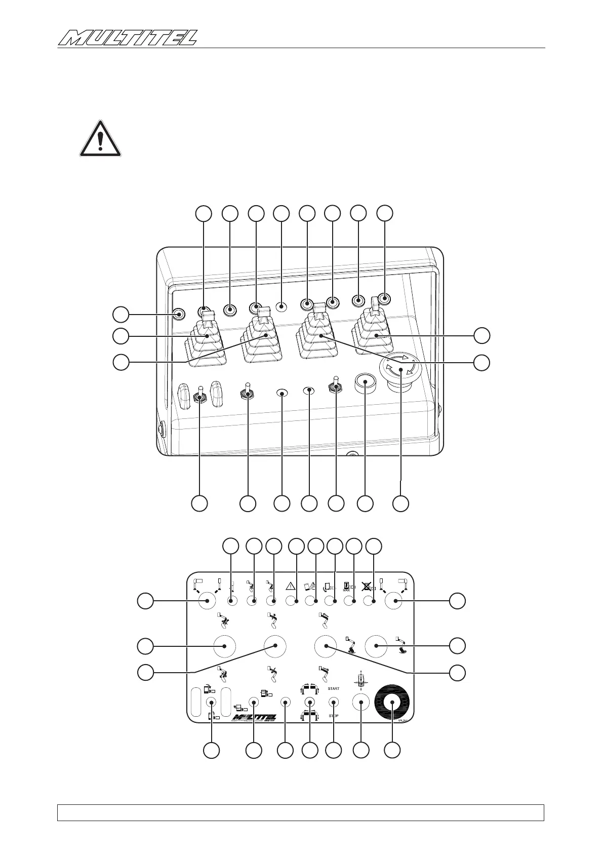
6.2. CONTROLS FROM CAGE
ATTENTION!
You will need to start and stop the manoeuvres gradually, avoiding starting and stopping suddenly.
Sudden starts and stops can cause vibrations on the valves. In this case, stop moving it and start
over again, more gradually.
9
8
6
19
5
7
18
13
11
12
1
3
4
2
10
20
17
161514
98
7
6
5
12
20
1
3
4
2
11
10
13
14
15
16
17
18
19
21

Table of Contents