EasyManua.ls Logo

Multitel MX 250 - Page 128

Multitel MX 250
186 pages
Print Icon
To Next Page IconTo Next Page
To Next Page IconTo Next Page
To Previous Page IconTo Previous Page
To Previous Page IconTo Previous Page
Loading...
NP 39
38
Sede amm. e stab: Strada Statale, 114 - 12030 MANTA (CN). Tel: (+39)0175255211. Sede legale: Via dell'Offelera, 106 - 20047 BRUGHERIO (MI). www.multitelgroup.com
Proprietà della MULTITEL PAGLIERO S.P.A. Senza autorizzazione scritta della stessa, il presente disegno non potrà essere utilizzato. L'uso e la riproduzione è vietata.
P
MX6.15.12.596
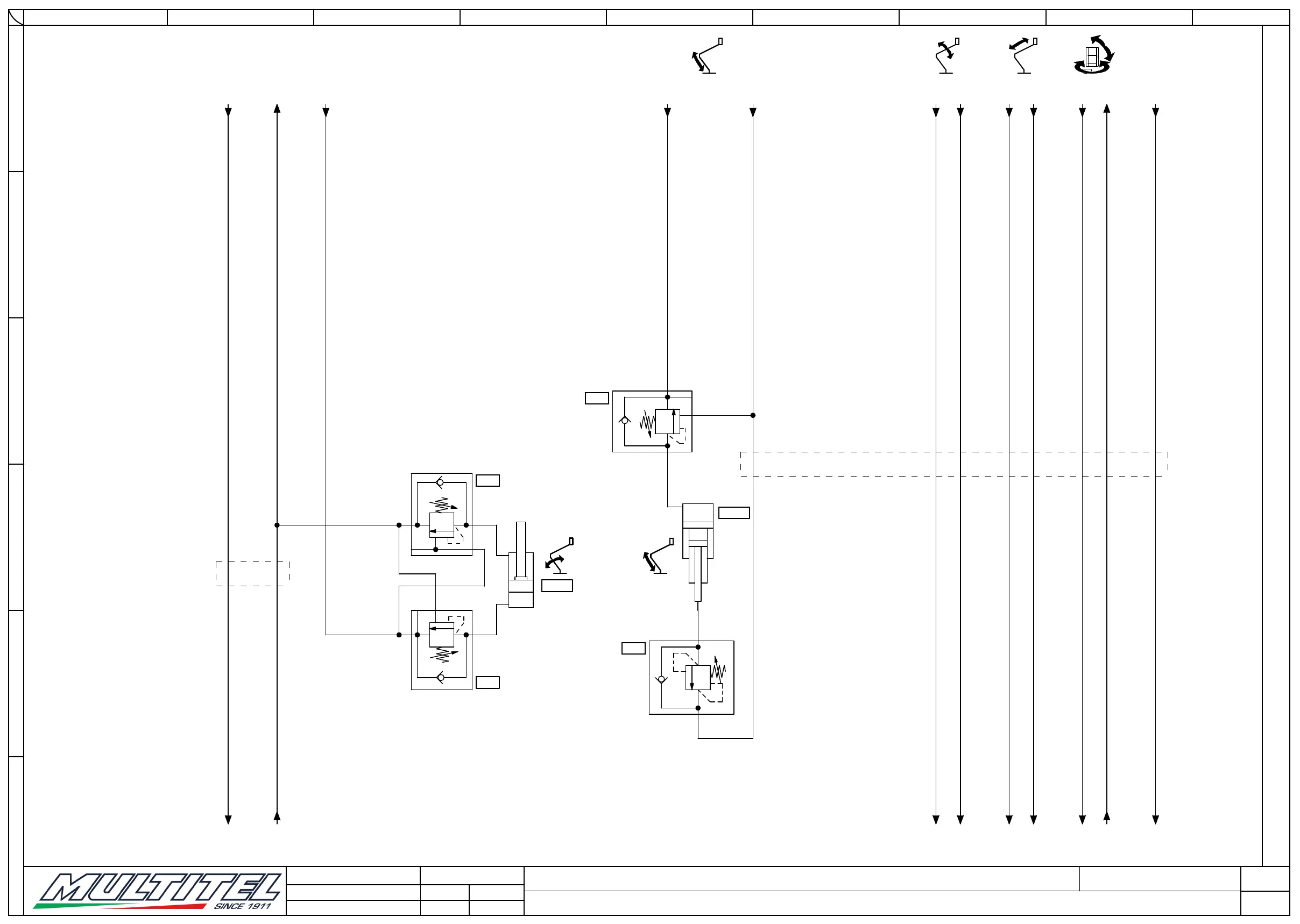
IMPIANTO MOVIMENTI BRACCIO
M.Gi.
M.Gi.
[1LMMX6.15.12-BP.8]
24/05/2021
03/06/2021
REV.
REV.
LM_BRPR
R.B.Contr.
Ap. R.B.
Dis.
Dis.
0
MX 250
0
A
B
C
D
E
F
1 2 3 4 5 6 7 8 9
VBP2
V2
C2
V1
C1
VBP1
V2
V2
C2
PIL
1
2
MAR11
VTB1
V2
C2
V2
PIL
VTB2
CATENA
BRACCIO
PRINCIPALE
1
MAR12
2
CATENA
BRACCIO
PRINCIPALE
1/4"BU
1/4"WH
1/4"GN
3/8"GN-RD
1/4"GN/YE
1/4"WH/YE
5/16"WH/RD
1/4"RD
1/4"YE
1/4"
1/4"
5/16"
3/8"
1/4"WH/YE
5/16"WH/RD
1/4"RD
1/4"YE
1/4"WH
1/4"GN
3/8"GN-RD
1/4"GN/YE
1/4" 1/4"
Y4
37.5:F
410
Y5
37.5:F
410
Y35
37.4:F
410
Y34
37.4:F
410
Y32
37.6:F
410
Y33
37.6:F
410
Y6
37.7:F
410
Y7
37.8:F
410
PL
35.8:D
410
TL
41.1:B
410
PL
39.6:A
220
TY40
40.6:F
410
Y34
39.3:A
220
Y4
39.5:A
220
Y5
39.5:A
220
Y6
39.5:A
220
Y7
39.5:A
220
TY40
39.4:A
220
TL
39.6:A
220
AA
39.6:A
220
AA
35.8:F
410

Table of Contents