EasyManua.ls Logo

Multitel MX 250 - Page 131

Multitel MX 250
186 pages
Print Icon
To Next Page IconTo Next Page
To Next Page IconTo Next Page
To Previous Page IconTo Previous Page
To Previous Page IconTo Previous Page
Loading...
NP B
41
Sede amm. e stab: Strada Statale, 114 - 12030 MANTA (CN). Tel: (+39)0175255211. Sede legale: Via dell'Offelera, 106 - 20047 BRUGHERIO (MI). www.multitelgroup.com
Proprietà della MULTITEL PAGLIERO S.P.A. Senza autorizzazione scritta della stessa, il presente disegno non potrà essere utilizzato. L'uso e la riproduzione è vietata.
P
MX6.15.12.596
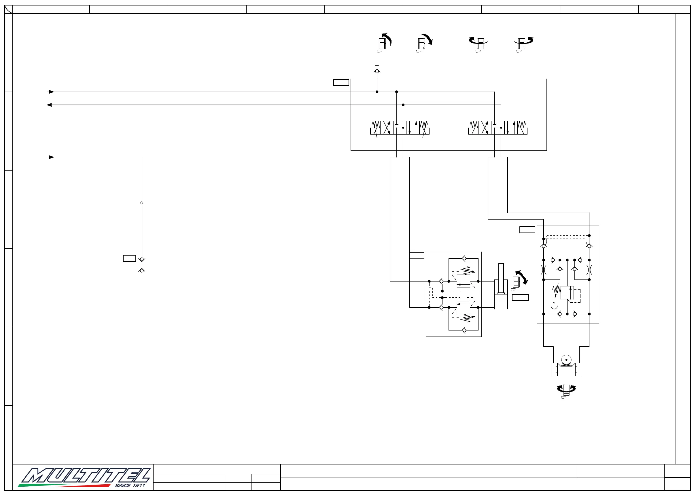
IMPIANTO MOVIMENTI CESTO
M.Gi.
M.Gi.
[1LMMX6.15.12-CE.8]
24/05/2021
03/06/2021
REV.
REV.
LM_CEST
R.B.Contr.
Ap. R.B.
Dis.
Dis.
0
MX 250
0
A
B
C
D
E
F
1 2 3 4 5 6 7 8 9
1
2
MAR21
P
T
A
P
B
T
A
P
B
T
B
A
B
M
A
?DCE1
90
0,4 0,4
V1 V2
C1
C2
?VRC1
C1
C2
V1
V2
?VLC1
-?Y2
B
-?Y1
A
-?Y4
B
-?Y3
A
3/16"YE-BU
3/16"YE-RD
3/16"GN
3/16"WH
1/4"RD
1/4"YE
1/4"RD
1/4"YE
F
M
VPT1
1/4"
1/4"
1/4"
PL
/40.6:F
430
TL
/38.8:A
430
AA
/40.6:F
430

Table of Contents