EasyManua.ls Logo

Multitel MX 250 - Page 129

Multitel MX 250
186 pages
Print Icon
To Next Page IconTo Next Page
To Next Page IconTo Next Page
To Previous Page IconTo Previous Page
To Previous Page IconTo Previous Page
Loading...
NP 40
39
Sede amm. e stab: Strada Statale, 114 - 12030 MANTA (CN). Tel: (+39)0175255211. Sede legale: Via dell'Offelera, 106 - 20047 BRUGHERIO (MI). www.multitelgroup.com
Proprietà della MULTITEL PAGLIERO S.P.A. Senza autorizzazione scritta della stessa, il presente disegno non potrà essere utilizzato. L'uso e la riproduzione è vietata.
P
MX6.15.12.596
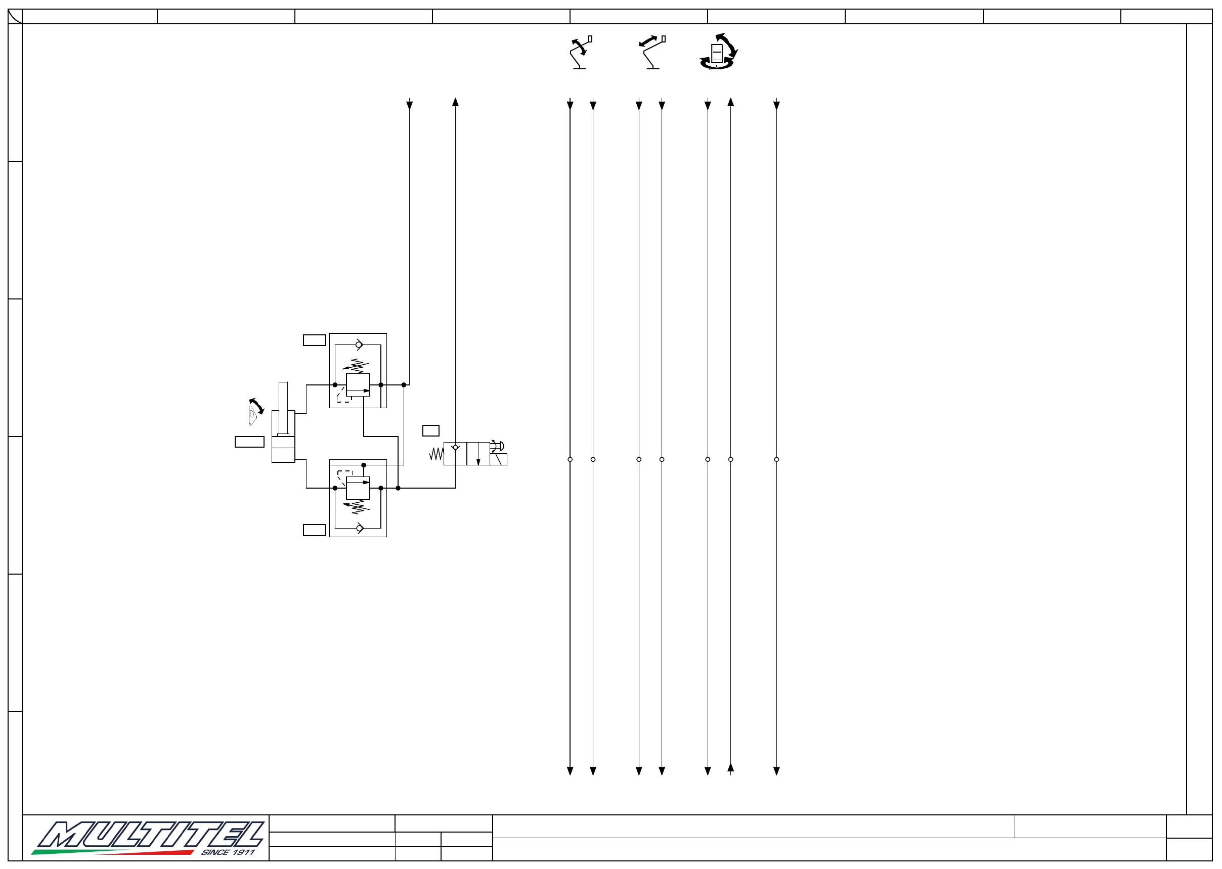
IMPIANTO TRAPEZIO
M.Gi.
M.Gi.
[1LMMX6.15.12-TP.8]
24/05/2021
03/06/2021
REV.
REV.
LM_TRAP
R.B.Contr.
Ap. R.B.
Dis.
Dis.
0
MX 250
0
A
B
C
D
E
F
1 2 3 4 5 6 7 8 9
VTR2
V2
V2
C2
PIL
1
2
MAR13
1
2
Y40
VTR1
C2
V2
C1
V1
Y40
24.5:C
1/4"WH/YE
5/16"WH/RD
1/4"WH
1/4"GN
3/8"GN-RD
1/4"GN/YE
1/4"RD
1/4"YE
1/4"RD
1/4"YE
1/4"WH
1/4"GN
3/8"GN-RD
1/4"GN/YE
1/4"1/4"
Y34
38.2:F
220
TY40
38.2:F
220
Y4
38.7:F
220
Y5
38.7:F
220
Y6
38.7:F
220
Y7
38.7:F
220
PL
38.8:F
220
TL
38.8:F
220
PL
40.6:A
230
Y4
40.4:A
230
Y5
40.4:A
230
Y6
40.5:A
230
Y7
40.6:A
230
TY40
37.4:F
230
AA
38.8:F
220
AA
40.6:A
230

Table of Contents