EasyManua.ls Logo

NEC PD78052 - Port 12; P120 to P127 Block Diagram

NEC PD78052
603 pages
Print Icon
To Next Page IconTo Next Page
To Next Page IconTo Next Page
To Previous Page IconTo Previous Page
To Previous Page IconTo Previous Page
Loading...
148
CHAPTER 6 PORT FUNCTIONS
P-ch
WR
PM
WR
PORT
RD
WR
PUO
V
DD
Selector
PUO12
Output Latch
(P120 to P127)
PM120-PM127
Internal bus
P120/RTP0
P127/RTP7
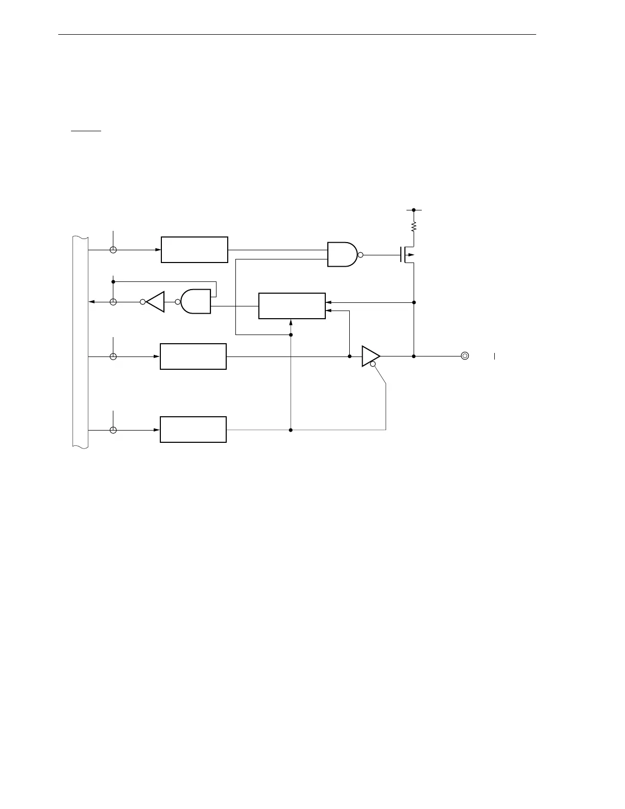
6.2.10 Port 12
This is an 8-bit input/output port with output latches. Input mode/output mode can be specified bit-wise by means
of port mode register 12 (PM12). When pins P120 to P127 are used as input port pins, an on-chip pull-up resistor
can be used as an 8-bit unit by means of pull-up resistor option register H (PUOH).
Alternate function includes real-time output.
RESET input sets the input mode.
Figure 6-17 shows a block diagram of port 12.
Figure 6-17. P120 to P127 Block Diagram
PUO : Pull-up resistor option register
PM : Port mode register
RD : Port 12 read signal
WR : Port 12 write signal

Table of Contents

Related product manuals