EasyManua.ls Logo

NEC PD78052 - Pin Input;Output Circuit of List

NEC PD78052
603 pages
Print Icon
To Next Page IconTo Next Page
To Next Page IconTo Next Page
To Previous Page IconTo Previous Page
To Previous Page IconTo Previous Page
Loading...
89
CHAPTER 4 PIN FUNCTION (
µ
PD78054Y Subseries)
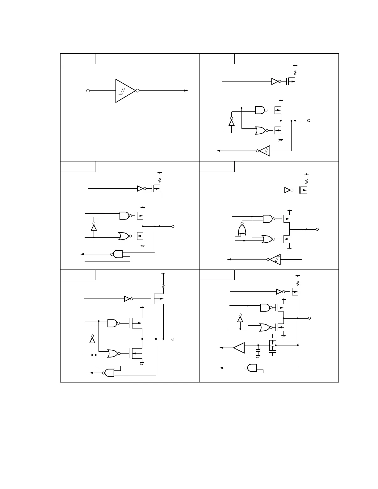
Figure 4-1. Pin Input/Output Circuit of List (1/2)
IN
pullup
enable
V
DD
P-ch
IN/OUT
input
enable
output
disable
data
VDD
P-ch
N-ch
Type 2
Type 5-A
Schmitt-Triggered Input with
Hysteresis Characteristics
Type 5-E Type 11
Type 10-A
Type 8-A
pullup
enable
V
DD
P-ch
IN/OUT
output
disable
data
VDD
P-ch
N-ch
pullup
enable
VDD
P-ch
IN/OUT
output
disable
data
VDD
P-ch
N-ch
pullup
enable
V
DD
P-ch
IN/OUT
open-drain
output disable
data
VDD
P-ch
N-ch
pullup
enable
V
DD
P-ch
IN/OUT
output
disable
data
VDD
P-ch
N-ch
P-ch
comparator
N-ch
input
enable
V
REF (Threshold voltage)
+

Table of Contents

Related product manuals