EasyManua.ls Logo

NEC PD78052 - Serial Interface Channel 0 Block Diagram

NEC PD78052
603 pages
Print Icon
To Next Page IconTo Next Page
To Next Page IconTo Next Page
To Previous Page IconTo Previous Page
To Previous Page IconTo Previous Page
Loading...
291
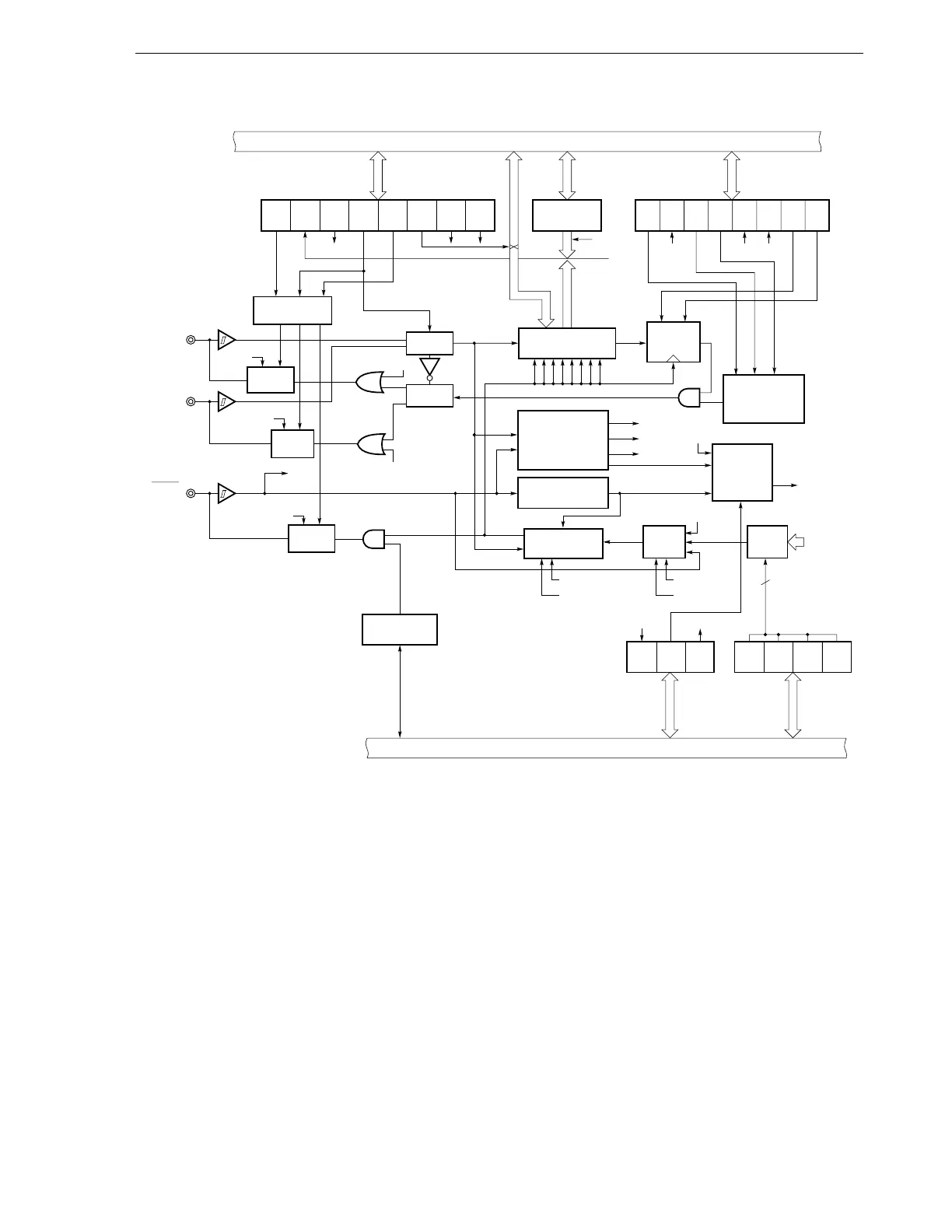
CHAPTER 16 SERIAL INTERFACE CHANNEL 0 (
µ
PD78054 Subseries)
Figure 16-2. Serial Interface Channel 0 Block Diagram
Remark Output Control performs selection between CMOS output and N-ch open-drain output.
CSIE0 COI WUP
CSIM
04
CSIM
03
CSIM
02
CSIM
01
CSIM
00
Serial Operating Mode Register 0
Control
Circuit
Output
Control
Selector
SI0/SB0/
P25
PM25
Output
Control
SO0/SB1/
P26
PM26
Output
Control
SCK0/
P27
PM27
Selector
P25
Output Latch
P26 Output Latch
CLD
P27
Output Latch
Internal Bus
BSYE ACKD ACKE ACKT CMDD RELD CMDT RELT
Internal Bus
Bus Release/
Command/
Acknowledge
Detector
Serial Clock
Counter
Serial Clock
Control Circuit
CLR
D
SET
Q
Match
Busy/
Acknowledge
Output Circuit
Interrupt
Request
Signal
Generator
ACKD
CMDD
RELD
WUP
Selector
Selector
TCL33TCL32TCL31TCL30
4
Timer Clock
Select
Register 3
f
xx
/2-f
xx
/2
8
INTCSI0
CLD SIC
SVAM
CSIM01
CSIM00
CSIM01
CSIM00
Slave Address
Register (SVA)
SVAM
Serial Bus Interface
Control Register
Serial I/O Shift
Register 0 (SIO0)
TO2
Interrupt Timing
Specify Register

Table of Contents

Related product manuals