EasyManua.ls Logo

NEC PD78052 - Serial Interface Channel 2 Block Diagram

NEC PD78052
603 pages
Print Icon
To Next Page IconTo Next Page
To Next Page IconTo Next Page
To Previous Page IconTo Previous Page
To Previous Page IconTo Previous Page
Loading...
441
CHAPTER 19 SERIAL INTERFACE CHANNEL 2
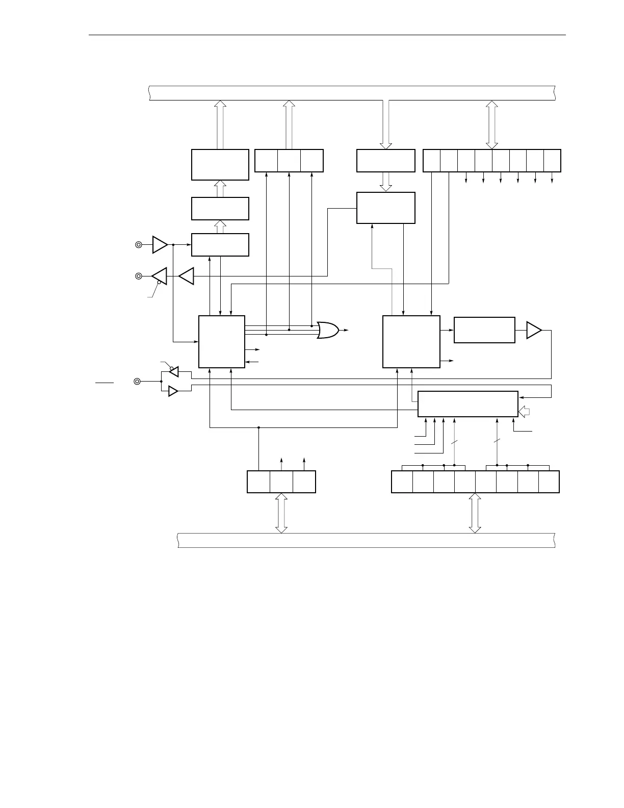
Figure 19-1. Serial Interface Channel 2 Block Diagram
Note See Figure 19-2 for the baud rate generator configuration.
Internal Bus
Asynchronous
Serial Interface
Mode Register
Asynchronous
Serial Interface
Status Register
Receive Buffer
Register
(RXB/SIO2)
Direction
Control Circuit
Receive Shift
Register (RXS)
Reception
Control
Circuit
RxD/SI2/
P70
TxD/SO2/
P71
INTSR/INTCSI2
CSIE2
CSIM
22
CSCK
INTSER
SCK Output
Control Circuit
Baud Rate Generator
f
xx
-f
xx
/2
10
Internal Bus
SCK
INTST
Baud Rate Generator
Control Register
Note
Serial Operating
Mode Register 2
PE FE OVE
Transmission
Control
Circuit
PM71
ISRM
ASCK/
SCK2/P72
PM72
Direction
Control Circuit
Transmit Shift
Register
(TXS/SIO2)
RXE PS1 PS0 CL SL ISRMTXE SCK
4 4
CSIE2
TXE
RXE
MDL3 MDL2 MDL1 MDL0 TPS3 TPS2 TPS1 TPS0

Table of Contents

Related product manuals