EasyManua.ls Logo

NEC PD78052 - Serial Interface Channel 1 Block Diagram

NEC PD78052
603 pages
Print Icon
To Next Page IconTo Next Page
To Next Page IconTo Next Page
To Previous Page IconTo Previous Page
To Previous Page IconTo Previous Page
Loading...
395
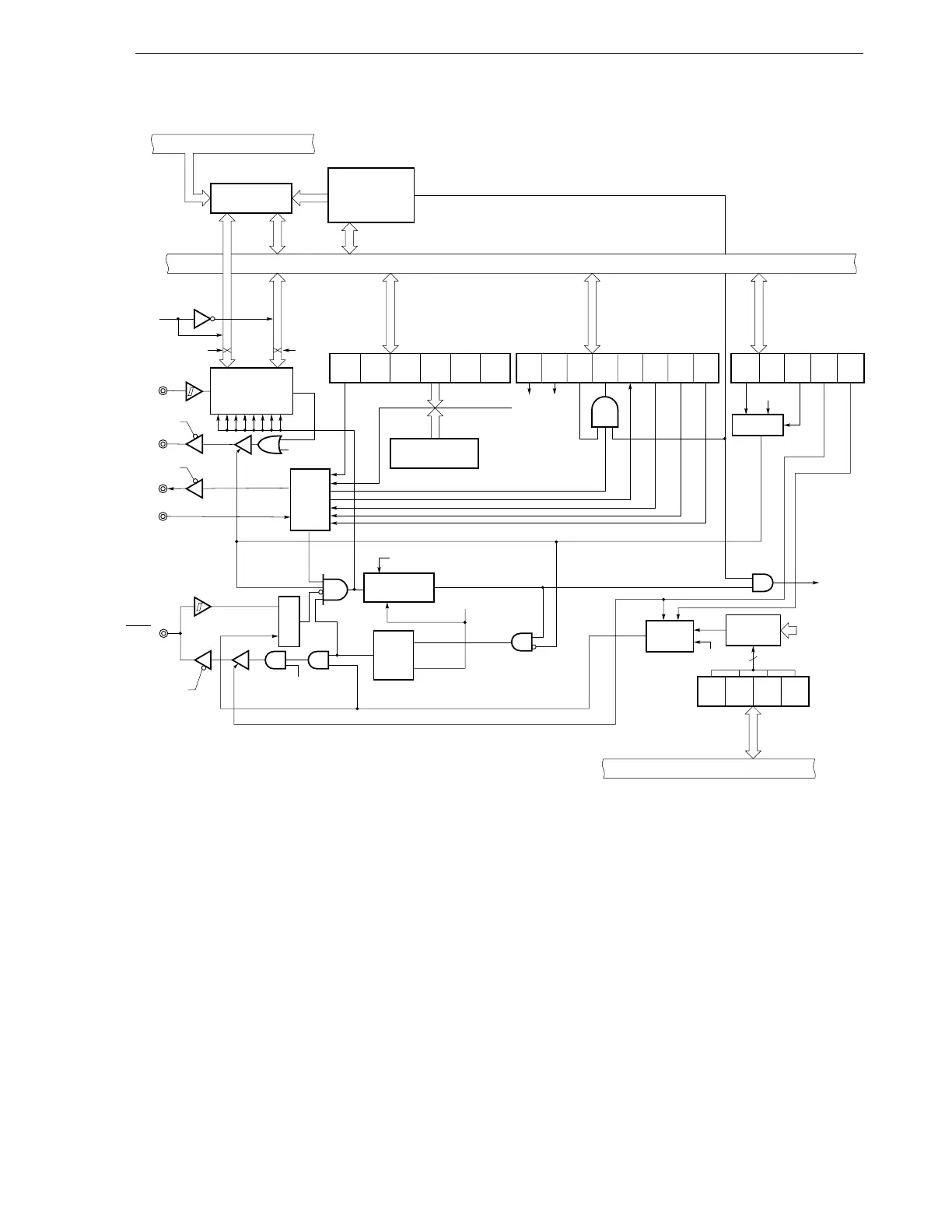
CHAPTER 18 SERIAL INTERFACE CHANNEL 1
Figure 18-1. Serial Interface Channel 1 Block Diagram
RE ARLD ERCE ERR TRF STRB
BUSY
1
BUSY
0
Internal Bus
Automatic Data
Transmit/Receive
Control Register
Serial Operating
Mode Register 1
ADTI
7
ADTI
4
ADTI
3
ADTI
2
ADTI
1
ADTI
0
5-Bit Counter
Serial I/O
Shift Register 1
(SIO1)
Hand-
shake
Serial Clock
Counter
Selector
Selector
SO1/
P21
PM21
P21 Output
Latch
DIR DIR
Buffer RAM
Automatic Data
Transmit/Receive
Address Pointer
(ADTP)
SCK1/
P22
PM22
Internal Bus
TRF
P22 Output Latch
Match
ADTI0-ADTI4
Selector
TO2
INTCSI1
Clear
SIOI write
Q
R
S
Selector
TCL
37
TCL
36
TCL
35
TCL
34
4
Timer Clock
Select Register 3
f
xx
/2–f
xx
/2
8
Internal Bus
ARLD
CSIE1
DIR ATE
CSIM
11
CSIM
10
ATE
SI1/
P20
STB/
P23
PM23
BUSY/
P24
Automatic Data
Transmit/Receive Interval
Specify Register

Table of Contents

Related product manuals