EasyManua.ls Logo

NEC PD78052 - Page 74

NEC PD78052
603 pages
Print Icon
To Next Page IconTo Next Page
To Next Page IconTo Next Page
To Previous Page IconTo Previous Page
To Previous Page IconTo Previous Page
Loading...
74
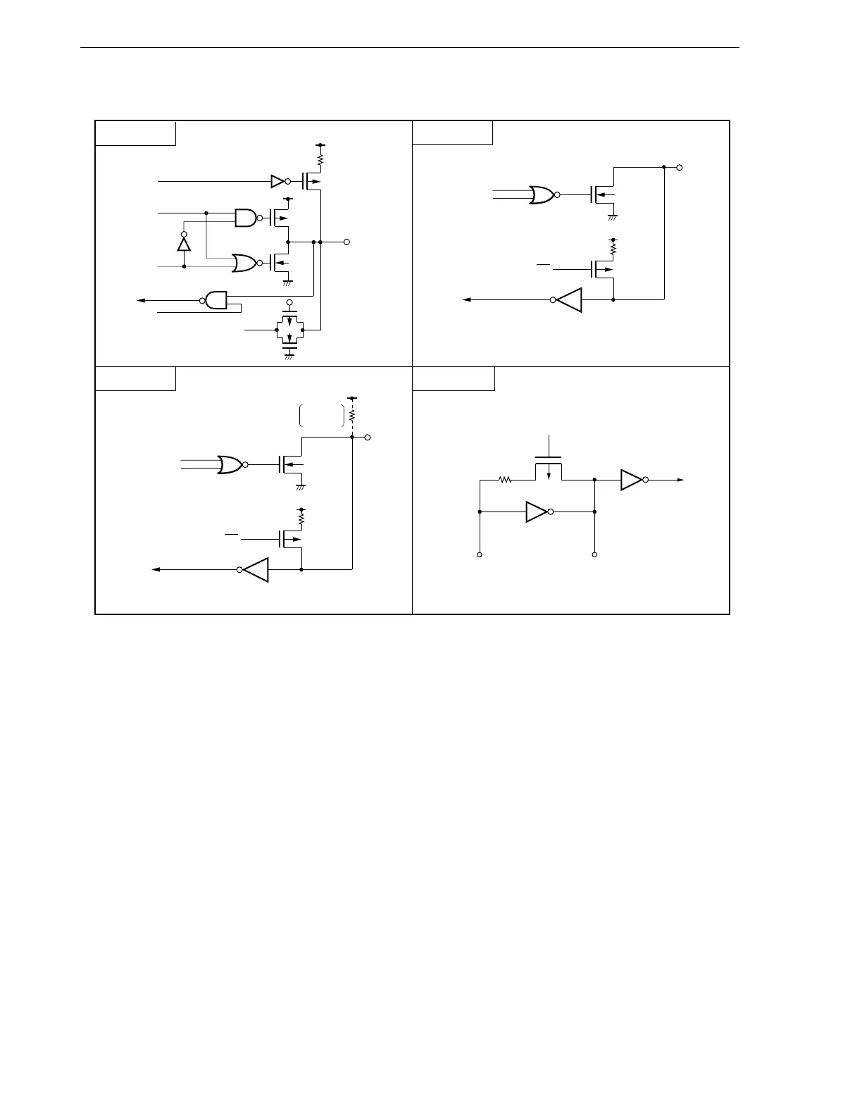
CHAPTER 3 PIN FUNCTION (
µ
PD78054 Subseries)
Type 12-A
Type 13-B
Type 13-D
output disable
V
DD
N-ch
IN/OUT
RD
medium breakdown
input buffer
data
P-ch
XT2XT1
feedback
cut-off
P-ch
Type 16
output disable
V
DD
V
DD
N-ch
Mask
Option
IN/OUT
RD
medium breakdown
input buffer
data
P-ch
pullup
enable
V
DD
P-ch
IN/OUT
output
disable
data
V
DD
P-ch
N-ch
input
enable
P-ch
N-ch
analog output
voltage
Figure 3-1. Pin Input/Output Circuit of List (2/2)

Table of Contents

Related product manuals