EasyManua.ls Logo

NMC-WOLLARD 100 - Page 280

NMC-WOLLARD 100
848 pages
Print Icon
To Next Page IconTo Next Page
To Next Page IconTo Next Page
To Previous Page IconTo Previous Page
To Previous Page IconTo Previous Page
Loading...
NMC-WOLLARD 2021Truax Blvd., Eau Claire, WI 54703, Phone (715) 835-3151, Fax (715) 835-6625
M100 Tow Tractor Manual No. 46052
PAGE 42
CHAPTER 4 REPAIR PARTS
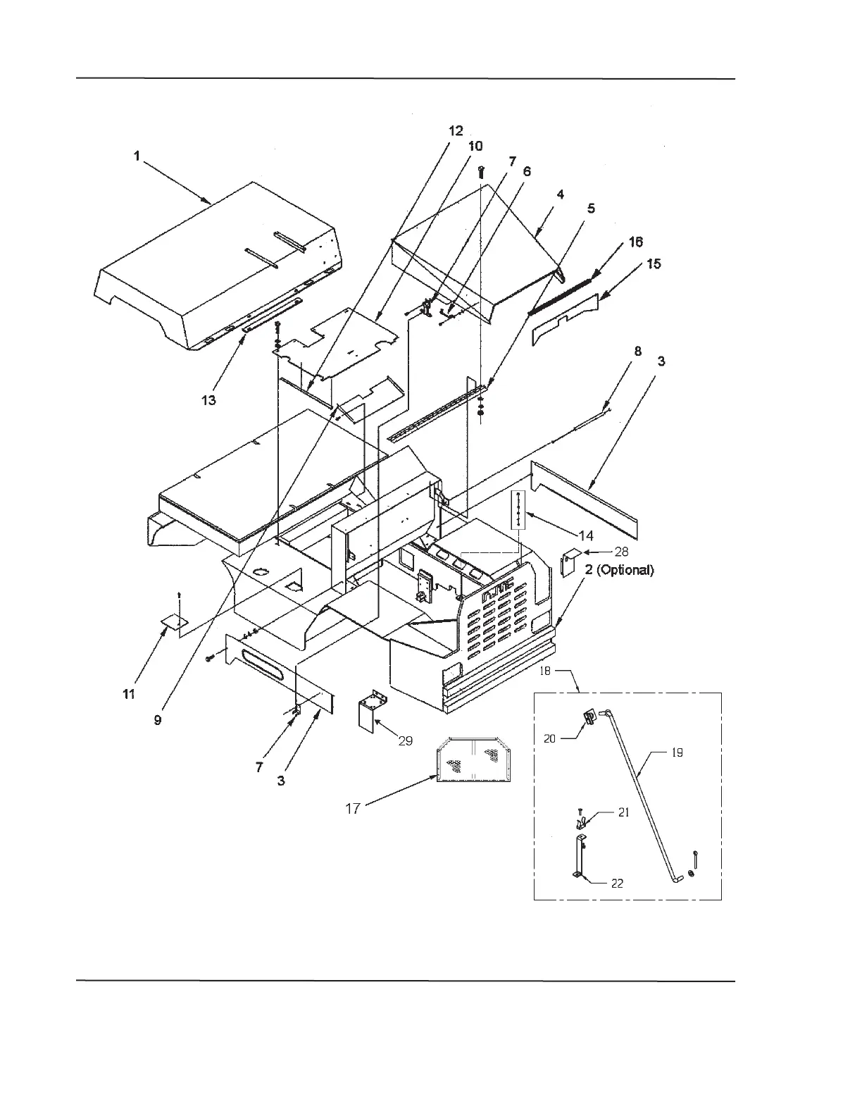
FIGURE 17.
SHEET METAL
1 OF 2
JANUARY 31, 2007
4 ILLUSTRATED PARTS LIST

Table of Contents

Related product manuals