EasyManua.ls Logo

NMC-WOLLARD 100 - Page 392

NMC-WOLLARD 100
848 pages
Print Icon
To Next Page IconTo Next Page
To Next Page IconTo Next Page
To Previous Page IconTo Previous Page
To Previous Page IconTo Previous Page
Loading...
NMC-WOLLARD 2021Truax Blvd., Eau Claire, WI 54703, Phone (715) 835-3151, Fax (715) 835-6625
M100 Tow Tractor Manual No. 46052
PAGE 154
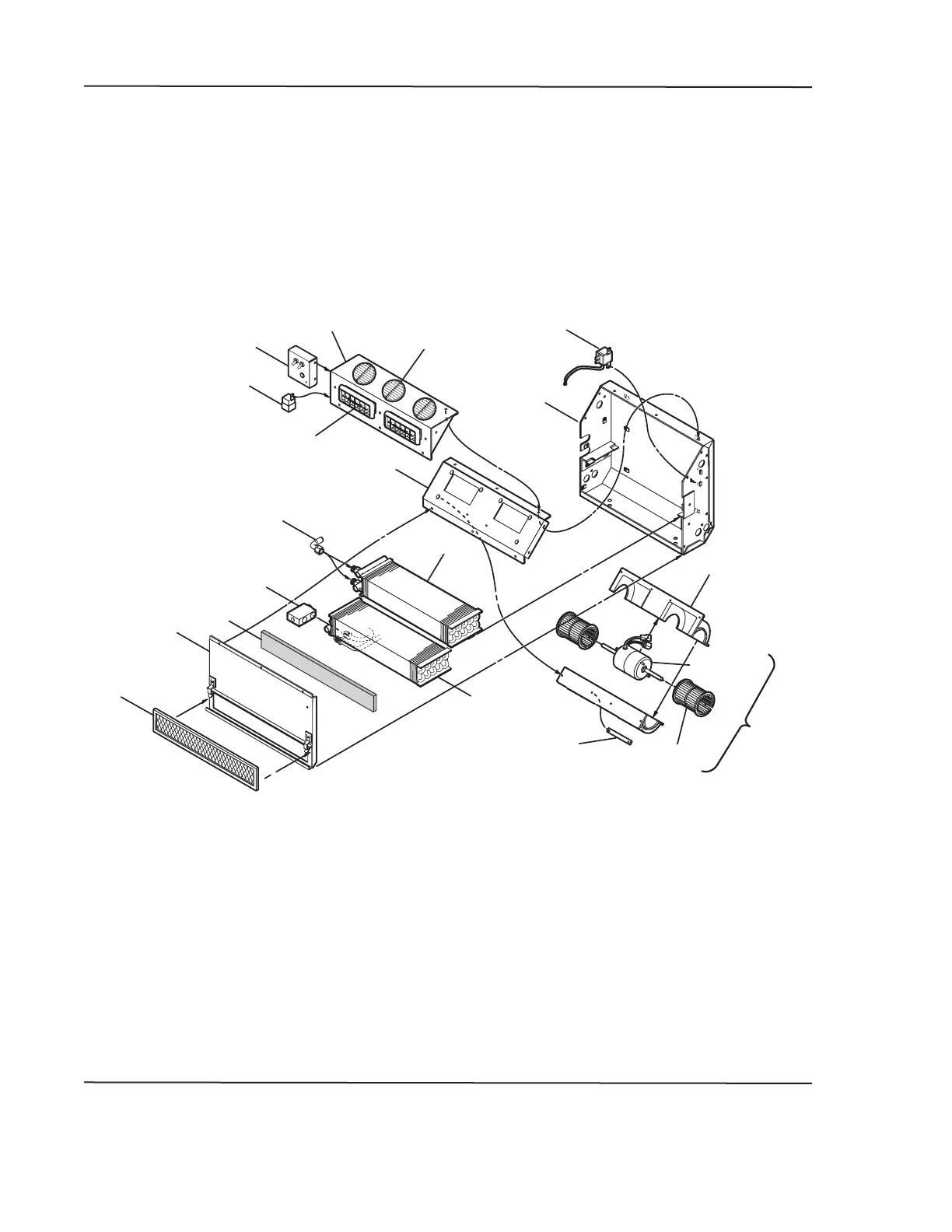
CHAPTER 4 REPAIR PARTS
4 ILLUSTRATED PARTS LIST
JUNE 01, 2016
FIGURE 60A.
AIR CONDITIONER FIREWALL MOUNT
1
9
12
4
19
18
24
27,28
26
6
8
3
2
5
13
17
14
16
10
20
,7

Table of Contents

Related product manuals