EasyManua.ls Logo

Omron G5 Series - System Block Diagram

Omron G5 Series
506 pages
Print Icon
To Next Page IconTo Next Page
To Next Page IconTo Next Page
To Previous Page IconTo Previous Page
To Previous Page IconTo Previous Page
Loading...
1 Features and System Configuration
1 - 6
OMNUC G5-series (Pulse-train Input Type) AC Servomotors and Servo Drives User’s Manual
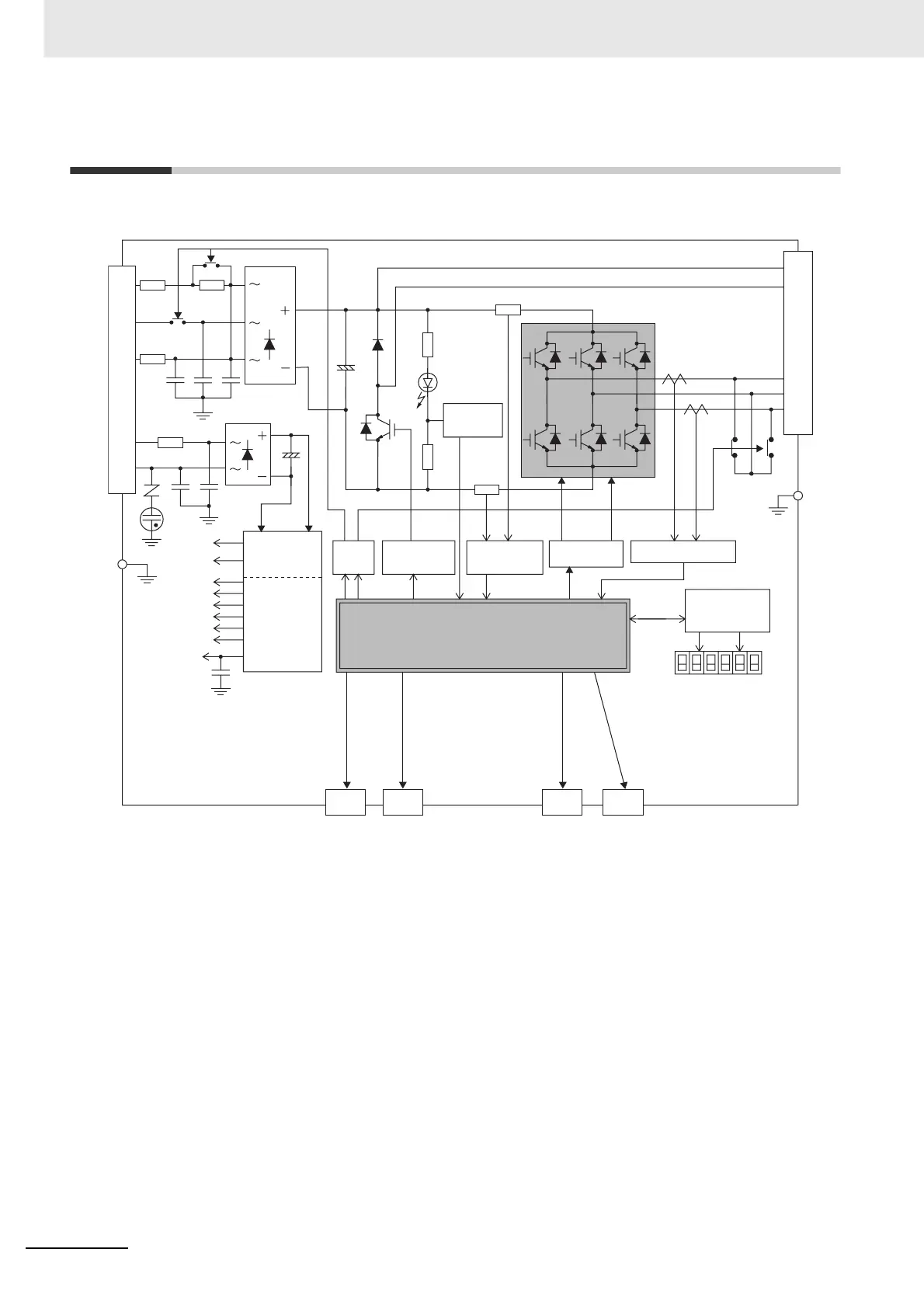
1-4 System Block Diagram
R88D-KP01H/-KP02H/-KP04H
GR
Display and
setting circuit
area
Gate drive
SW power
supply main
circuit control
Internal
control
power
supply
GR
L2C
L1C
L3
L2
L1
FUSE
FUSE
FUSE
CN A
15 V
G1
5 V
2.5 V
1.5 V
±12 V
E5V
G2
3.3 V
Overcurrent
detection
Current detection
Voltage
detection
Regeneration
control
Relay
drive
GR
Control
interface
CN2 CN5 CN7
B1
B2
B3
CN B
U
V
W
MPU & ASIC
Position, speed, and force calculation control area
• PWM control
Encoder
Analog
monitor
USB
CN1

Table of Contents

Other manuals for Omron G5 Series

Related product manuals