EasyManua.ls Logo

Recognition Systems HandKey II - Page 27

Recognition Systems HandKey II
134 pages
Print Icon
To Next Page IconTo Next Page
To Next Page IconTo Next Page
To Previous Page IconTo Previous Page
To Previous Page IconTo Previous Page
Loading...
HandKey II Installation and Operation Manual
Revision 2.0 Page 27
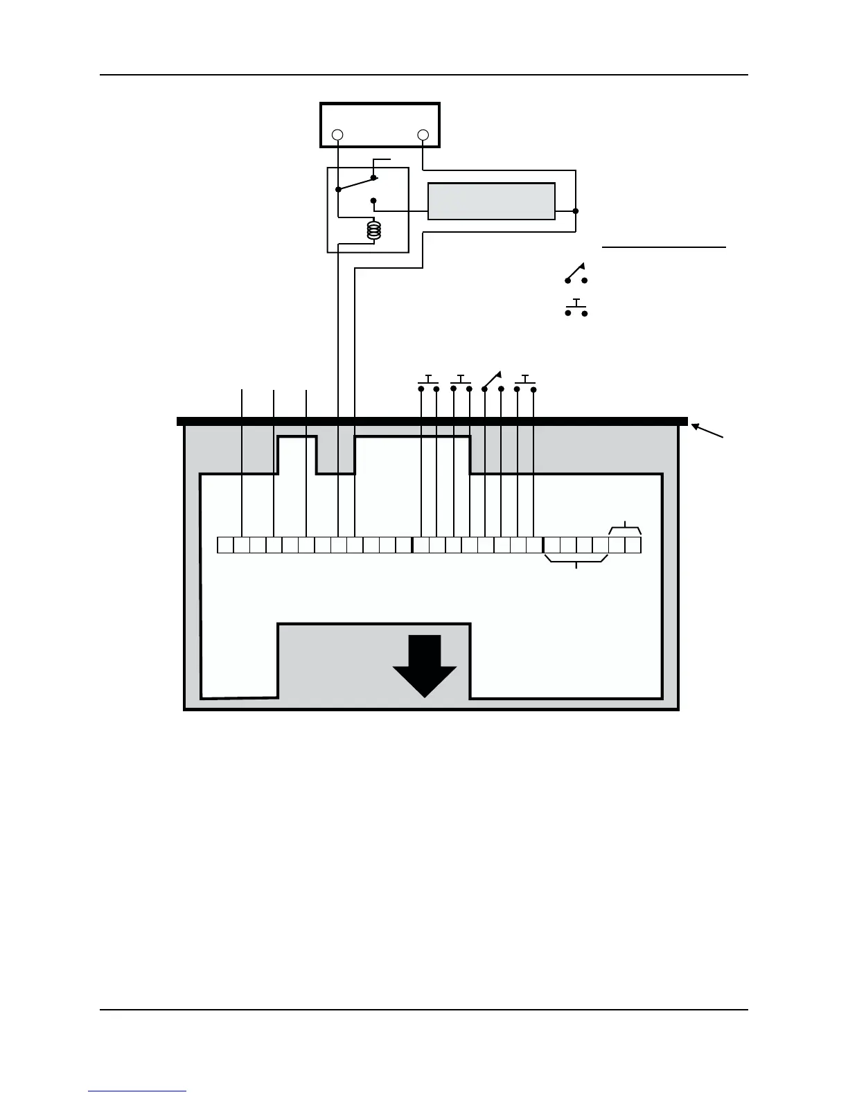
Figure 3-4: Lock Output Wiring Diagram
26 25 24 23 22
21
20 19
18
17
16
15 14 13 12 11 10
9
8
7
654
3
2
1
4-Wire
RS-485
Connection
12 to 24 V
AC/DC
Input
+
-
* These components are not supplied by Recognition Systems, Inc.
TOP OF THE
HAND READER
HINGE
WALL TO WHICH
THE HAND READER
IS ATTACHED
AUX OUTPUT 2
AUX OUTPUT 1
AUX OUTPUT 0
AUX INPUT 2
AUX INPUT 1
N.C. DOOR SWITCH
REQUEST TO EXIT
SWITCH LEGEND
N.O. MOMENTARY*
N.C. DOOR SWITCH*
+
-
*POWER SUPPLY
NC
NO
*LOCK
RELAY
*ELECTRIC LOCK
OR STRIKE
+
-

Table of Contents

Other manuals for Recognition Systems HandKey II