EasyManua.ls Logo

Renesas RL78/F13 - Page 294

Renesas RL78/F13
1879 pages
Print Icon
To Next Page IconTo Next Page
To Next Page IconTo Next Page
To Previous Page IconTo Previous Page
To Previous Page IconTo Previous Page
Loading...
RL78/F13, F14 CHAPTER 4 PORT FUNCTIONS
R01UH0368EJ0210 Rev.2.10 262
Dec 10, 2015
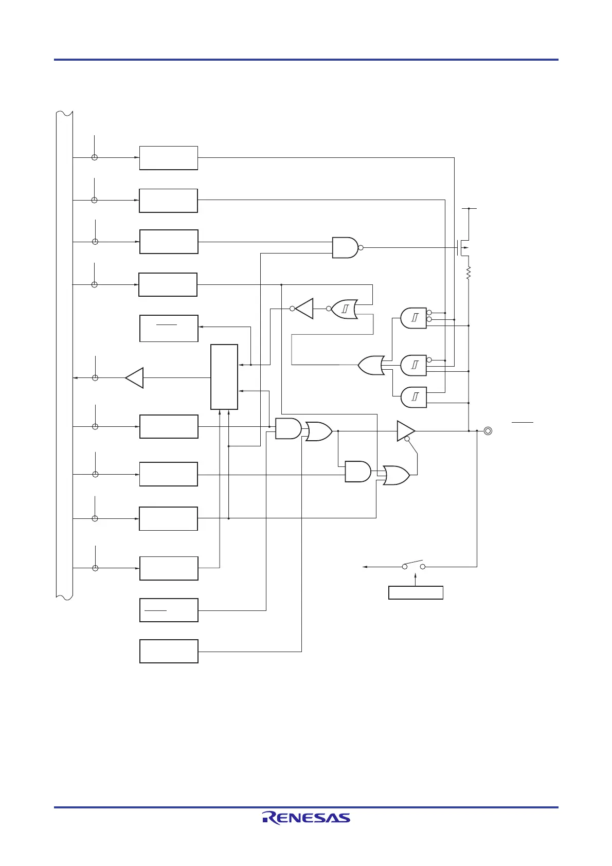
Figure 4-42. Block Diagram of P71
P71/INTP6/TO17/
KR1/SCK11/TI17/
SCL11/SNZOUT5
/
ANI27
WR
PU
RD
WR
PORT
PU71
TI17/SCK11/SCL11
/INTP6/KR1
P71
EV
DD
P-ch
PU7
P7
WR
PM
PM7
POM71
POM7
WR
POM
PM71
PIM7
PIM71
WR
PIM
WR
PMC
PMC7
PMC71
WR
PMS
PMS
PMS0
SCK11/SCL11
TO17/SNZOUT5
CMOS
(Schmitt3)
TTL
CMOS
(Schmitt1)
PITHL7
PITHL71
WR
PITHL
Internal bus
Output latch
Alternate function
Alternate function
Alternate function
Selector
A/D converter
ADS
ADS4 to ADS0

Table of Contents

Related product manuals