EasyManua.ls Logo

Renesas RL78/F13 - Page 300

Renesas RL78/F13
1879 pages
Print Icon
To Next Page IconTo Next Page
To Next Page IconTo Next Page
To Previous Page IconTo Previous Page
To Previous Page IconTo Previous Page
Loading...
RL78/F13, F14 CHAPTER 4 PORT FUNCTIONS
R01UH0368EJ0210 Rev.2.10 268
Dec 10, 2015
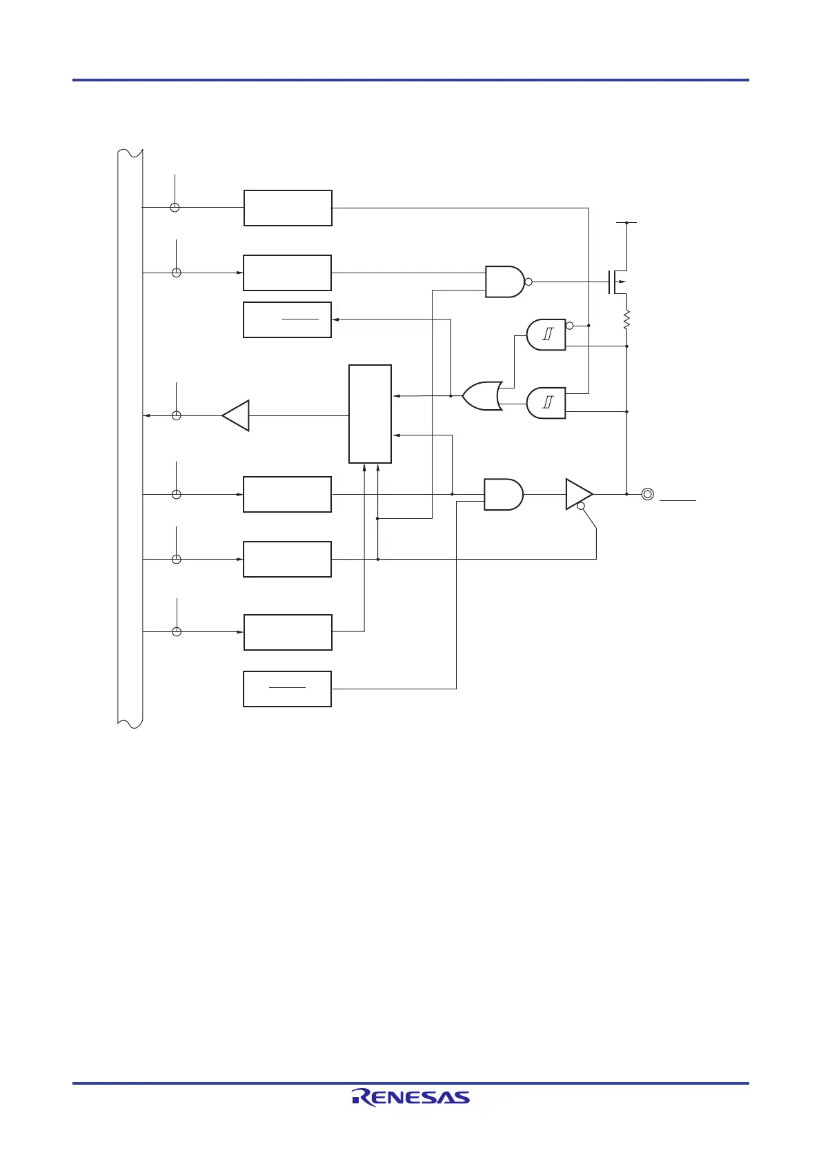
Figure 4-47. Block Diagram of P76
P76/KR6
/
(SCK10)
WR
PU
RD
WR
PORT
WR
PM
PU76
KR6/(SCK10)
(SCK10)
P76
PM76
EV
DD
P-ch
PU7
PM7
P7
WR
PMS
PMS
PMS0
CMOS
(Schmitt3)
CMOS
(Schmitt1)
PITHL7
PITHL76
WR
PITHL
Internal bus
Output latch
Alternate function
Alternate function
Selector
P7: Port register 7
PU7: Pull-up resistor option register 7
PM7: Port mode register 7
PMS: Port mode select register
PITHL7: Port input threshold control register 7
RD: Read signal
WRxx: Write signal

Table of Contents

Related product manuals