EasyManua.ls Logo

Renesas RL78/F13 - Page 304

Renesas RL78/F13
1879 pages
Print Icon
To Next Page IconTo Next Page
To Next Page IconTo Next Page
To Previous Page IconTo Previous Page
To Previous Page IconTo Previous Page
Loading...
RL78/F13, F14 CHAPTER 4 PORT FUNCTIONS
R01UH0368EJ0210 Rev.2.10 272
Dec 10, 2015
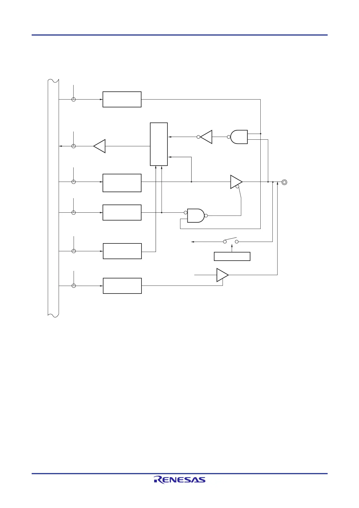
Figures 4-49 to 4-56 show block diagrams of port 8 for 100-pin products.
Figure 4-49. Block Diagram of P80
P80/ANI2
/
ANO0
0: Analog input
1: Digital I/O
WR
ADPC
RD
WR
PORT
WR
PM
ADPC
PM8
P8
PM80
P80
ADPC4 to ADPC0
WR
PMS
PMS
PMS0
WR
DAM2
DAM2
ANO0EN
D/A converter
Internal bus
Output latch
Selector
A/D converter
ADS
ADS4 to ADS0
P8: Port register 8
PM8: Port mode register 8
PMS: Port mode select register
ADPC: A/D port configuration register
DAM2: D/A converter mode register 2
ADS: Analog input channel specification register
RD: Read signal
WRxx: Write signal

Table of Contents

Related product manuals