EasyManua.ls Logo

Renesas RL78/F13 - Page 310

Renesas RL78/F13
1879 pages
Print Icon
To Next Page IconTo Next Page
To Next Page IconTo Next Page
To Previous Page IconTo Previous Page
To Previous Page IconTo Previous Page
Loading...
RL78/F13, F14 CHAPTER 4 PORT FUNCTIONS
R01UH0368EJ0210 Rev.2.10 278
Dec 10, 2015
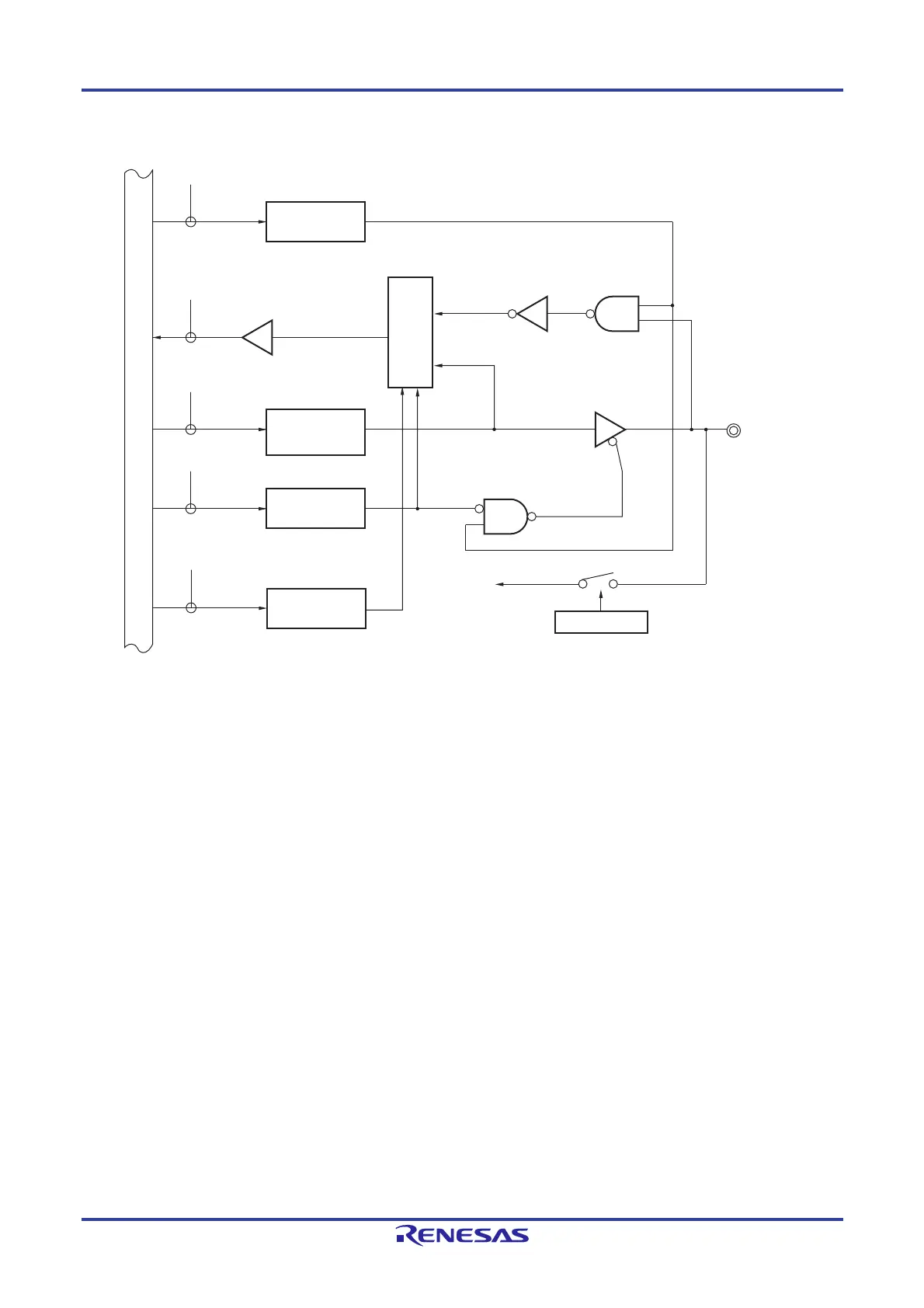
Figure 4-55. Block Diagram of P86
P86/ANI8
WR
ADPC
RD
WR
PORT
WR
PM
ADPC
PM8
P8
PM86
P86
ADPC4 to ADPC0
WR
PMS
PMS
PMS0
0: Analog input
1: Digital I/O
Internal bus
Output latch
Selector
A/D converter
ADS
ADS4 to ADS0
P8: Port register 8
PM8: Port mode register 8
PMS: Port mode select register
ADPC: A/D port configuration register
ADS: Analog input channel specification register
RD: Read signal
WRxx: Write signal

Table of Contents

Related product manuals