EasyManua.ls Logo

Renesas RL78/F13 - Page 322

Renesas RL78/F13
1879 pages
Print Icon
To Next Page IconTo Next Page
To Next Page IconTo Next Page
To Previous Page IconTo Previous Page
To Previous Page IconTo Previous Page
Loading...
RL78/F13, F14 CHAPTER 4 PORT FUNCTIONS
R01UH0368EJ0210 Rev.2.10 290
Dec 10, 2015
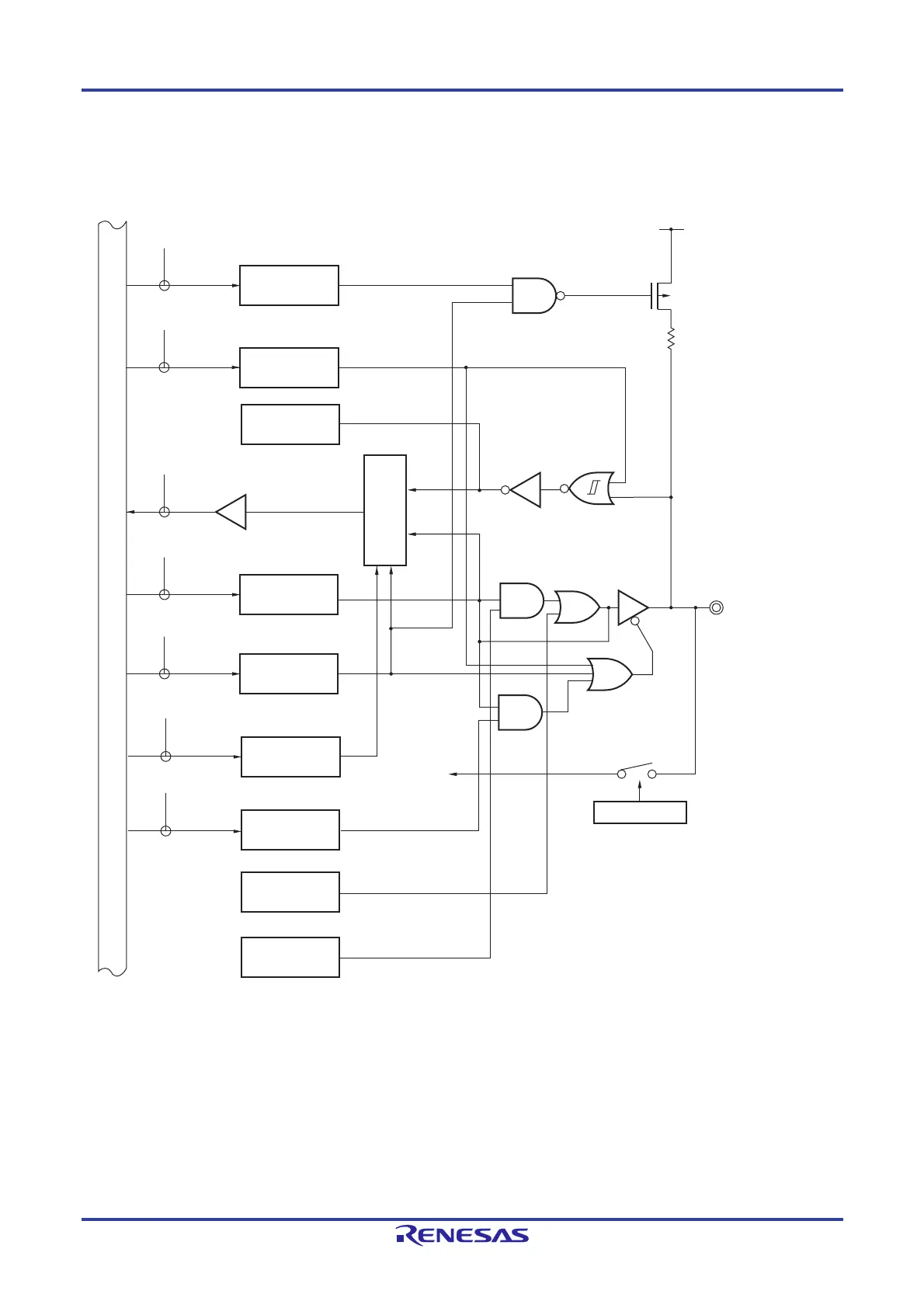
Figures 4-61 to 4-65 show block diagrams of port 12 for 100-pin products.
Figure 4-61. Block Diagram of P120
P120/ANI25/TI07
/
TO07/TRDIOD0/
SO01/INTP4
WR
PU
RD
WR
PORT
WR
PM
PU120
P120
PM120
EV
DD
P-ch
PU12
PM12
P12
WR
PMC
PMC12
PMC120
WR
PMS
WR
POM
PMS
PMS0
POM120
POM12
TO07/TRDIOD0
SO01
TI07/TRDIOD0
/INTP4
Internal bus
Output latch
Alternate function
Alternate function
Alternate function
Selector
A/D converter
ADS
ADS4 to ADS0
P12: Port register 12
PU12: Pull-up resistor option register 12
PM12: Port mode register 12
POM12: Port output mode register 12
PMC12: Port mode control register 12
PMS: Port mode select register
ADS: Analog input channel specification register
RD: Read signal
WRxx: Write signal

Table of Contents

Related product manuals