EasyManua.ls Logo

Samsung DVM PLUS III - Page 642

Samsung DVM PLUS III
748 pages
Print Icon
To Next Page IconTo Next Page
To Next Page IconTo Next Page
To Previous Page IconTo Previous Page
To Previous Page IconTo Previous Page
Loading...
Control Systems
V-110
3
3
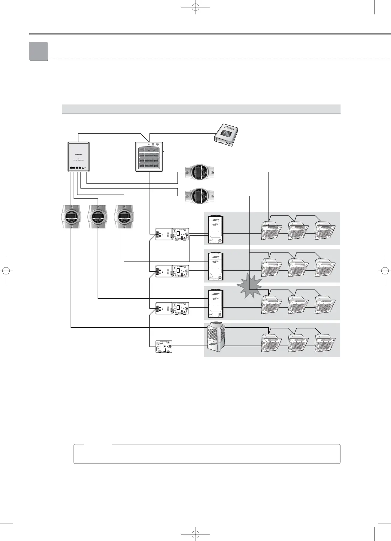
Integrated management system
Watt-hour meter can be shared to the multiple indoor/outdoor systems.
;
NN
NN
oo
oo
tt
tt
ee
ee
Installation above is allowed with proper mapping configuration.
3-1. DMS (Data Management Server)
Installation example (Allowed)
E
AB C
D
G4
G3
G2
G1
SiM
DMS
Centralized
controller
Interface module
Power supply
Power supply
C1-C2 wiring
Mapping watt-hour meters to indoor/outdoor units
1. Watt-hour meter A is mapped to all indoor/outdoor units in G1.
2. Watt-hour meter B is mapped to the outdoor unit in G2.
3. Watt-hour meter C is mapped to the outdoor units in G3 and G4.
4. Watt-hour meter D is mapped to the indoor units in G2 + G3.
5. Watt-hour meter E is mapped to the indoor units in G4.
05-3_control systems(082~141) 3/6/08 14:04 Page 110

Table of Contents

Other manuals for Samsung DVM PLUS III

Related product manuals